我的生产实习报告.docx

上传人:夺命阿水 文档编号:1018480 上传时间:2024-02-26 格式:DOCX 页数:44 大小:1.05MB
返回 下载 相关 举报
我的生产实习报告.docx_第1页
第1页 / 共44页
我的生产实习报告.docx_第2页
第2页 / 共44页
我的生产实习报告.docx_第3页
第3页 / 共44页
我的生产实习报告.docx_第4页
第4页 / 共44页
我的生产实习报告.docx_第5页
第5页 / 共44页
点击查看更多>>
资源描述

《我的生产实习报告.docx》由会员分享,可在线阅读,更多相关《我的生产实习报告.docx(44页珍藏版)》请在课桌文档上搜索。

1、我的生产实习报告目录L实习目的与说明22 .科苑大酒店建筑给排水33 .井口污水处理厂94 .分散实习1潜江市污水处理厂135 .分散实习2沙坪坝水厂266 .实习总结36377 .附录生产实习是教学计划的一个要紧实践环节,是一门必修的课程。其目的是通过生产实践与参观,学习施工技术与组织管理生产的基本知识;验证、巩固与深化所学的理论知识;扩大视野,为后继的专业课学习建立感性认识;同时也可使我们熟悉社会,接触工人,增强劳动观点;综合培养我们的实际工作能力。本次生产实习共分为两部分:集中实习与分散实习。第一部分为集中实习,在老师讲解集中参观内容后,我们分别参观了科苑酒店的给水系统与消防系统,井口污

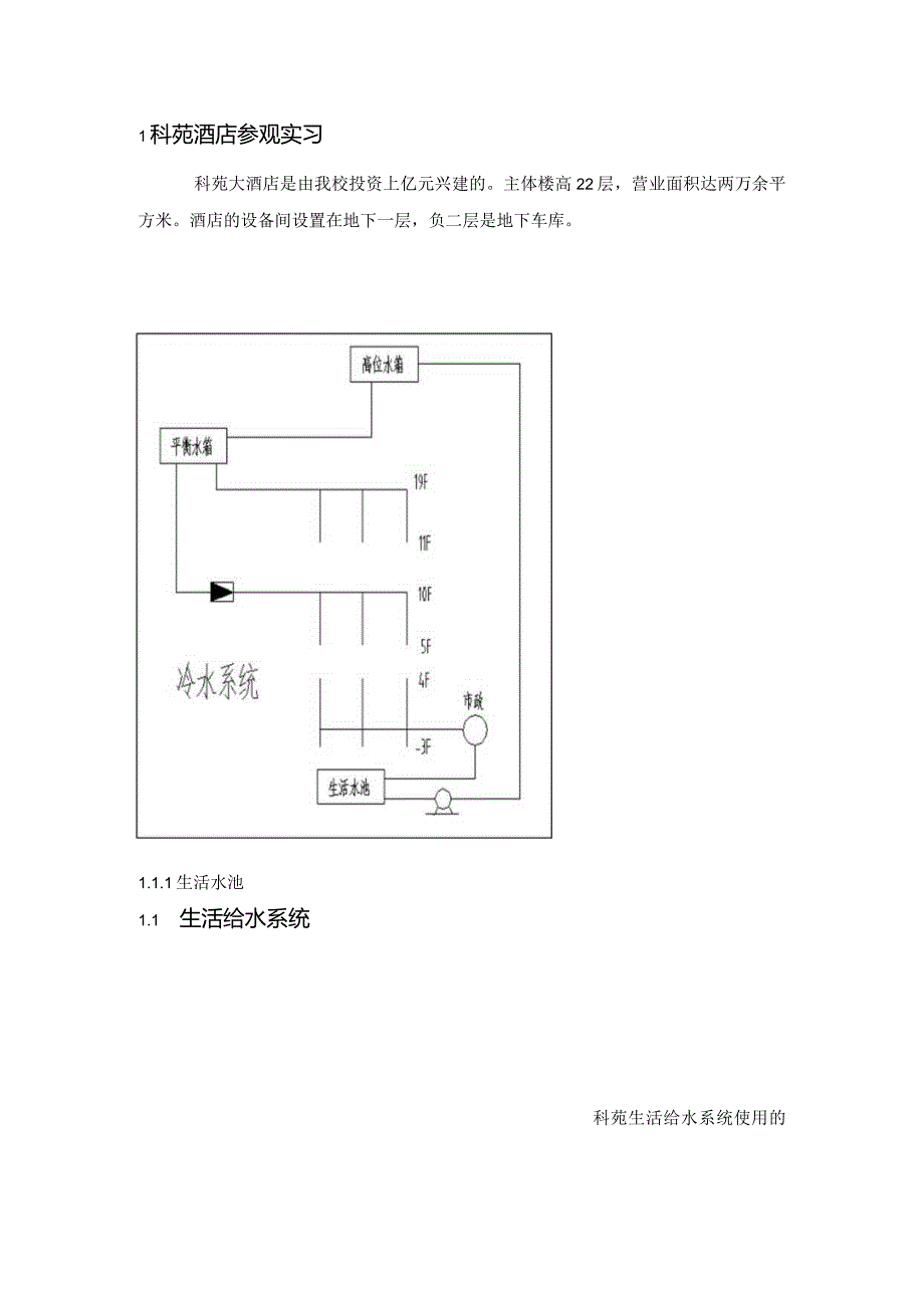
2、水厂与沙坪坝水厂。在分散实习阶段我首先在湖北浦华公司托管运营的潜江市污水处理厂实习一周,期间熟悉的污水厂的处理工艺还参与了一些操作实践。然后我又在沙坪坝水厂实习一周,通过实践工作对沙坪坝水厂有了更深入的认识,其中对各个工艺参数的熟悉则是我的实习重点。沙坪坝水厂部分,既是我集中实习参观地点也是我分散实习地点,因此将两个报告写成一份。同时井口污水厂与潜江市污水厂的工艺十分相似,均使用改良型氧化沟,因此为避免重复,我以我实习的污水厂为重点。1科苑酒店参观实习科苑大酒店是由我校投资上亿元兴建的。主体楼高22层,营业面积达两万余平方米。酒店的设备间设置在地下一层,负二层是地下车库。1.1 生活给水系统1

3、.1.1生活水池科苑生活给水系统使用的是分区给水,低区一3F4F利用市政管网压力供水,高区通过高位水箱供水。11F19F直接由高位水箱供水,在10层处设减压阀再供水5F10F0科苑酒店的生活水池位于负3层,由市政供水,体积为100mK有2根进水管同时进水,使用的是浸锌钢管,进水管管径为15Omnb距地面约0.4m,便于保护,2根进水管间距36cm,为底部进水。在进水管上安有闸阀,Y型过滤器,浮球阀,闸阀,再连入生活水池。当利用城市给水管网直接进水时,应设置自动水位操纵阀,操纵阀直径与进水管管径相同,当使用浮球阀时不宜少于2个,且进水管标高应一致。对科苑酒店高位水箱实测结果为水箱底距地面70cm

4、,高位水箱无管道的侧面,净距0.65m;安装有管道的侧面,净距LOm。根据建筑给水排水设计规范3.7.3,高位水箱无管道的侧面,净距不宜小于0.7叱安装有管道的侧面,净距不宜小于LOnb且管道外壁与建筑本体墙面之间的通道宽度不宜小于0.6叱设有人孔的池顶,顶板面与上面建筑本体板底的净空不应小于08m,科苑的设计基本符合设计规范要求。屋顶水箱同时也起着消防水箱的作用,生活用水与消防用水合用(现在的规范是不同意的),提供火灾初期灭火至少十分钟内的消防用水量。其中溢流孔下列,生活出水管口以上,为生活用水储备;生活出水管口下列,喷淋与消火栓出水管口以上为消防最低用水储备量。(下图为水箱示意图)水箱的管

5、道设置,有2根进水管,每根进水管均配有蝶阀1个,蝶阀距地面1.1m,便于操作;水位操纵由浮球阀操纵,水箱顶有人孔与通气管;出水管同样是2根并排,同时每根上均有蝶阀,溢流管与排空管共用一根管子,排空管上安有蝶阀,溢流管上无蝶阀,同时还有喷淋管,消火栓管与高位水箱相连。管道全部为钢管。科苑酒店使用集中热水供应系统,使用3台即热半容积式燃气热水器。集中热水供应系统的加热设备集中设置在18层,便于管理且加热设备热效率高,热水成本较低,占用的建筑总面积较少。使用的热水供水方式按热水加热方式分是直接加热,按热水管网设置循环管网的方式分是半循环系统,按热水管网的压力工况分是开式系统。在后来的开发过程中热水房

6、同层也需要热水,无法重力自流,故同楼层用热水泵加压送出。低于锅炉房的楼层能够直接依靠重力流送出。3台热水器均安装有电子操纵系统,以操纵出水达到预定恒温为了避免水压不稳固导致热水使用事故发生,还设置了一个平衡水箱与建筑热水箱标高一致。设备层有热水箱1个,可储存30-45min的热水量,有4台循环泵,3台位于设备层,1台位于低区,分别对高低区的热水进行回流。加热设备共有3台,均为智得中央热水机,在夏季用两台,冬季用三台。每台有4根管子,如右图所示,分别为出水管,排空管,加药管,进水管,水质情况较好时加药管通常不用,。加热后的水经热水箱后送出供应热水,未用的热水经循环泵作用回流至回设备层,又从进水管

7、进入加热器进行加热。在出水管上都包裹有保温材料,以降低散热带来的热缺失。1.1.4生活水泵在负三楼的泵房,生活泵与水池相连,生活泵为立式恒速泵,1用1备,基础为现浇混凝土配钢架,水泵型号为65DL30T5*7,扬程105m,额定流量30m3h,额定转速1480rmin.管道上依次有闸阀、可曲挠橡胶接头、偏心大小头。我们注意到科苑的偏心大小头安装错误,其装法正好与正确的装法相反。1.2消防系统1.2 .1消火栓系统消防水池与生活水池分建,容积为500砂,分成了两格。总吸水管的流速小于1.2米/秒。消火栓泵1用1备,喷淋泵1用1备,还有潜水泵1台,共用吸水管管径300mm。消防水泵为自灌式离心泵,

8、占地面积小,启动速度快。同时一用一备提高了火灾发生时的消防系统的可靠性与稳固性。出水管上配有可扰橡胶接口,能够承受一定扰动。在每一根消防出水管上都有闸阀,这样能够缩小检修时的停水范围,更加合理。各根管道上也配有压力指示计,经观察全部小于0.5MPa,符合要求。消火栓箱设置在楼梯间旁边与重要房间的门口比如建筑热水系统控置房。它的布置保证了有两只充实水柱能达到同层内的任何部位。在火灾发生前十分钟是水箱供水,十分钟后有水泵供水。消火栓箱内配有报警器,消防软管卷盘,消防水带,消防喷嘴。消火栓箱宽70Cnb高1m。按消防规范8.4.3所说,室内消火栓应设在位置明显且易于操作的部位。栓口离地面或者操作基准

9、面高度宜为LIm,其出水方向宜向下或者与设置消火栓的墙面城90度角;栓口与消火栓箱内边缘的距离不应影响消防谁带的连接。在我们所看到的这个消火栓是符合以上规定的,栓口距地面约为LIm。1.2.2喷淋系统酒店所使用的湿式系统由闭式喷头、水流指示器、湿式报警阀组、供水设施等构成。湿式报警阀组由水流操纵阀组、湿式报警阀、延时器、压力开关、水力警铃、安全阀等构成。当某处有火患发生时,喷淋系统喷头处的感温原件作用,喷头预作用水流喷出开始灭火,水流流淌带动水流指示器产生预警,水流指示器与压力开关的动作信号输入火灾报警器,自动喷淋泵开始供水。(下图为喷淋系统示意图)水流首先进入延迟器。通过约30秒的蓄水,将延

10、迟器充满水后,水冲击水力警铃报警,同时打开压力开关启动泵灭火。延迟器的作用是防止由于水压波动原因引起报警阀开启而导致的错误。繇减播um1.2.3车库消防由自喷规范知,车库为中危险二级场所,喷水强度应为8Lmin*m2,作用面积为160m2o科苑的车库采取的是湿式系统,喷头为下垂型喷头配集热挡板。按新规范,当设置场所不设吊顶,且配水管道沿梁下布置时,火灾热气流将在上升至顶板后水平蔓延,如今只有向上安装直立型喷头,才能使热气流尽早接触与加热喷头热敏元件。科苑酒店的车库修建时间较早,在新规范之前,因此仍使用的是下垂型喷头配极热挡板的形式。2.井口污水厂参观实习井口污水处理厂污水处理总规模为4万吨/每

11、日,近期实施2万吨/每日,配套管网总长31公里,已经实施10余公里。服务区域为井口,双碑组团,服务面积为14.4平方公里,服务人口12万人,工程总投资L18亿元。整个污水处理项目于2006年7月开工,2007年12月28日设备安装调试并进入了试运行。使用改良型氧化沟处理工艺,目前污水处理量为L2万吨/日,水质合格率为98%以上,现有员工27名,其中大专以上学历21名,在度研究生1名。公司全员始终坚持“以人为本、市场导向、团队合作、创新进展”的战略指导与“感情聚人、文化育人、制度律人”的管理理念,为努力实现“政府放心、市民满意、企业增效、职工乐业”的目标而不懈努力!工艺流程井口水厂主体工艺为改良

12、型氧化沟。首先通过粗格栅过滤;再经提升泵房提升至地面,为后续构筑物水流自流提供动力,再通过细格栅;然后通过旋流沉砂池,砂水分离,减轻后续构筑物负荷;由溢流堰集水流至改良型氧化沟处理,除磷脱氮,最后二沉池泥水分离后,处理污、废水达到一级B标排放标准排放。2.1预处理要紧设备有粗格栅2台,细格栅2台,提升泵4台,2组旋流沉砂池,2台罗茨鼓风机,电动单梁悬挂起重机,液位计,轴流风机,输送机,砂水分离器,COD在线检测仪,固体悬浮物在线监测仪,PH/温度在线检测仪,电磁流量计,自动采样仪各1台。预处理段要紧作用是提升污水通过预处理段进入氧化沟,并2次拦截粗细不均的杂物,以保证后续设施与设备的安全运行。

13、2.1.1格栅污水厂进水通过两道格栅。首先通过粗格栅,栅距截为50un,留较大的杂物。再通过细格栅,栅距为5mm,截留较小的杂物。通过两道格栅够能够有效的截留大部分杂物,防止后续构筑物的堵塞,减轻对设备的损伤。栅渣则通过螺旋输送机输送至垃圾储存装置,然后运至垃圾场。2.1.2提升泵污水收集管网终点埋深达14.1M,出水经粗格栅处理后到达提升泵房,此处共设有4台提升泵,其中大流量泵3台,流量为400立方米每小时,小流量泵一台,流量为200立方米每小时,扬程均为17M。平常一台大流量泵备用。经此提升后,后续各处理区段均以污水的重力自流为主,使污水流经各段进行净化处理。粗格栅栅格间静距为20MM,由

14、于深埋地下清理不便,此处还设有深井型刮渣机对其进行清理。2.1.3旋流沉砂池有两条水道分别将污水送至两组旋流式沉砂池。该沉砂池有效水深L5M,单池直径3M,还设有鼓风装置,有助于提高沉砂效果。在绕流一周后过溢流堰至集水槽,依靠自重流至后续处理构筑物。2.2氧化沟要紧设备有5台表面曝气转碟机。9台潜水搅拌机,溶氧检测仪,ORP检测仪,固体悬浮物检测仪,污泥浓度计各一台。氧化沟的要紧作用是利用微生物群降解与去除水中的污染物质,有硝化与反硝化过程,具有脱氮功能,氧化沟进水与回流污泥进水口设有厌氧生物池,用于生物除磷,抑制丝状菌生长与防止污泥膨胀。水流顺序为配水池,厌氧池,缺氧池,好氧池。氧化沟工艺参

15、数厌氧池:溶解氧0.2mgL下列池容470m3缺氧池:电机功率2.2kw溶解氧0.20.5mgL叶轮转速42rmin电机级数4叶轮公称直径IlOOinmHRT=2.5h好氧池:溶解氧24mgLHRT=8.5hX=4000mgL污泥龄15天回流比为50%至100羯有的时候甚至达到150%一组氧化沟一共有5台表面曝气转碟机。曝气装置的作用要紧是向混合液供氧,同时还能够使混合液中有机污染物、活性污泥、溶解氧3者充分混合、接触。氧化沟对水温、水质、水量的变动有较强的习惯性;污泥龄长,能够存活、繁殖世代时间较长、增殖速度慢的微生物,如硝化菌,因此氧化沟反硝化脱氮的效果较好,BOD去除率也可可达90%左右

16、。此外因污泥龄长,氧化沟污泥产率低,无需再进行消化处理,因此井口污水厂未设置污泥消化设施。2.3回流泵井回流泵井的要紧设备有2个电磁流量计,1台手动单轨小车,3台回流污泥泵,2台剩余污泥泵。要紧作用是转换二沉池到氧化沟的回流污泥。回流泵井的回流污泥泵为2用1备,用电磁流量计操纵回流污泥量,回流污泥输送至厌氧池,开始下个循环,回流污泥泵功率IlkW,扬程7m,流量417m3h,剩余污泥泵1用1备,将剩余污泥输送至脱泥车间脱泥。2.4二沉池二次沉淀池的要紧设备有2台行走电机,1台真空泵,1套周边传动全桥吸泥机。二次沉淀池的要紧作用是依靠污泥自身重力作用,使活性污泥与水分离,污泥通过真空吸泥机进入污

17、泥泵房,水流由池壁出水槽流入接触消毒池。井口污水厂使用的为辐流式二沉池,二沉池直径25m,深7m。进水方式为中进周出,井口污水厂的二沉池对沉泥使用虹吸提泥,一部分经由回流泵井再次进入厌氧区,一部分送至污泥车间浓缩。2.5消毒池消毒池的要紧设备有自动采样机,中水给水装置,明渠流量计,PH/温度在线检测仪,COD在线检测仪,固体悬浮物在线检测仪。要紧作用就是杀灭出厂水中的细菌与病毒。消毒池设计为接触式,污水停留时间约为30分钟,使用的是二氧化氯消毒剂。池体使用隔板廊道式,公分有4条廊道,以增加污水与消毒剂的接触时间,提高消毒效果。通过PH/温度在线检测仪、COd在线监测仪、SS在线监测仪与自动采样

18、仪监测水处理效果。2.6脱泥车间脱泥车间的要紧设备有2台空压机,2个电磁流量计,2个液位计,4台轴流风机,2台输送机,2台进泥偏心螺杆泵,2台加药泵,2台冲洗泵,4台搅拌机,1台絮凝剂制配装置,2台带式脱水机,1台地磅称。脱泥车间的要紧作用是通过剩余污泥泵把回流井的剩余污泥打至除泥池,再通过进泥泵打至脱水机进行脱泥来降低氧化沟的污泥浓度。脱泥车间用的是带式浓缩压滤机,滤带宽度1500mm,压滤段滤带速度l-5mmin,驱动功率2.2kw,浓缩段滤带速度4-22mmin,驱动功率1.5kw0剩余污泥进入车间后首先添加絮凝剂聚丙烯酰胺,然后进入带式浓缩压滤机中进行压缩,带式压滤的要紧过程是依靠2条

19、滤带之间相互挤压,将泥压成薄薄的片状,达到脱水的效果,能是泥的含水量降到75%以内,然后用螺旋输送机输送至垃圾车,螺旋输送机是2台压滤机共用的,使用螺旋输送机是由于成本低,使用年限长,最后由垃圾车送至垃圾填埋场。污水厂实习报告姓名:皮家悦学号:20066501实习时间:7月6号7月12号(净实习时间7天)实习单位:湖北省潜江市污水处理厂实习指导人:王进在污水厂进行了为期一周的实习,在这次实习中我熟悉了污水厂的工艺流程,进行了一些构筑物的操作实践。通过将理论转化为实际的过程中,我也收获了很多。下面将污水厂实习的内容总结后写下一.污水厂的建设过程、生产规模、服务范围与进展规划潜江污水处理厂位于潜江

20、市城区以南宜黄高速公路北侧,紧邻城南河东岸,占地面积52亩,项目建设总投资1.2亿元,其中厂区建设5000万元,配套管网建设7000万元,污水处理厂于2006年7月开工,2007年10月竣工,2008年2月正式投入运营。同意城区的生活污水与雨水,厂区污水处理能力现建设规模为日处理3万吨,远期规划处理为日处理10万吨,污水处理采取改良型氧化沟工艺,污泥处置使用机械浓缩脱水一体化。配置管网建设总长度为46.8公里。污水收集体系使用合流制与分流制。潜江市污水处理厂要紧针对生活废水进行处理,污水经处理后达国家一级B标后排入南门河,能够用于灌溉、牲畜饮用、园林绿化、车辆冲洗、路面冲洗等。污水经处理后受益

21、面较广,涉及潜江市的园林、杨市、总口、渔洋,与监利、仙桃等周边城镇。二.污水厂的工艺概况污水首先通过一道粗格栅,经潜水泵提升后再通过一道细格栅后至曝气沉砂池。然后通过初沉池配水井,向两个辐流初沉池均匀配水。再流向氧化沟,回流污水与初沉池来水经配水井混合后,经厌氧池,缺氧池,曝气池。之后流至辐流二沉池,水经处理后达标排放,污泥脱水后集中处理。各构筑物水流淌力均为重力,污水经提升泵一次提升。工艺介绍:1.粗格栅栅距S=40mm,宽度为1.2米,关于栅渣使用机械清渣,使用的是螺旋压榨机。栅渣为固体垃圾,运往垃圾场。2 .进水泵房(提升泵站)提升泵使用潜污泵,立式,两用两备。功率37kwh,扬程12米

22、,流量650立方米/小时。未提升前,污水深度为8米。3 .细格栅S=IOrnm,宽度为1.2米,使用机械清渣,使用的是螺旋压榨机。4 .旋流沉砂池(两座池,只有一座运行)使用旋流沉砂池,直接按远期规划设计了两座,现在只使用一座。有效水深4米,直径2.5米。鼓风机功率为300wh,去除的砂渣被当做固体垃圾,运至垃圾填埋场。三条管道,两条细的为鼓风管道,粗的为提砂管道。砂水混合液通过旋转式固液分离机,砂水分离。5 .流量计井通过旋流沉砂池的污水通过重力自流到初沉池,之间要通过流量计井,监测流量污水到配水井后,均匀分配至两个初沉池(如图底部左右两个管道)。7.初沉池(两个池,同时运行)有效水深4.4

23、米,池子半径22米。辐流式沉淀池,水流为中进周出。池径较小故使用半周边式桁车初沉池的泥到池底后,用静压排泥的方式,再用泵将污泥抽至脱水机房。9.氧化沟(设两座,同时运行)氧化沟的布置,水流流向,污水内回流方式,污泥回流方式附图全面介绍。工艺参数如下厌氧池溶解氧0.2mgL池容24.9*6.3*4.5*2=1400m3水力停留时间计算得2.3h缺氧池溶解氧0.20.5mgL叶轮公称直径1.4米,两片,转速为40rmin池容19.8*12.4*4.5*2=220011?水力停留时间计算得3.5h好氧池溶解氧2mgL左右池容IlOOOm3水力停留时间计算得8.8h污泥龄15d污泥浓度3.5gL回流比

24、为100%表面转刷曝气机公称直径1.4m,一组26片,一个池子有七组,开4组运行功率为18kwh10 .二沉池(共两座,同时运行)辐流式二沉池,中进周出,使用三角形出水堰,双堰出水,有效水深4.2米,直径36米排泥方式同初沉池相同,静压排泥后部分,剩余污泥部分回流,部分送至脱水机房脱水。处理水达到国家二级B标,工厂还尚未运行加氯消毒工艺,处理水直接排至南门河。11 .脱水机房使用带式浓缩压滤机,所加药品为PAM。每天处理后有15吨含水率75%的剩余污泥,通过卡车外运至垃圾填埋场填埋。至此所有工艺流程介绍完毕三.操纵中心监测板,当污水厂的某道工艺运行不正常时,监控板会自动发出信号配套的运行软件四

25、.化验室部分化验室每天测量一次BoD5、Ce)D、SS、TP、NH4+,定期测量MLSS、MLVSSo通过对这些数据的测量,能够监测水处理工艺的运行状况,预防污泥膨胀。化验室部分仪器设备每日测量的数据,因气候等原因波动幅度较大,不是很稳固进水数据B0D5晴天2090mgL,雨天120mgLCoDI3O17OmgLTPl2mgLNH4+冬季较高2022mgL,夏季较低I(M3mgLSS变化幅度很大,无准确范围MLSS3000mgLMLVSSMLSS=0.60.8出水数据B0D5l20mgLCOD10-40mg/LSS10mg/LTP1.5mg/LNH4+冬季vl5mg/L,夏季8mg/L(由于温

26、度的原因微生物的活性不一样)达到国家一级B标其测量方法与我们在学校的测量方法相同。只是在测COD时,使用的是老式的人工消解的方法。五.污水厂的基本情况污水厂的组织管理情况,及运行的经济技术指标(包含人员编制、处理水量、污水厂回用水量,每吨水的电耗、药耗、制水成本与污水收费等)。水厂人员编制如下:机修工1人,电工1人,操作工8人,班长1人,化验室3人,生产厂长1人,技术人员1人,后勤1人,绿化1人,食堂1人,门卫2人。共21人。每日处理水量在2.83.1万吨范围内。在老城区内仍有部分地区使用的合流制,水厂在雨季会处理少量的初期雨水,因此雨季处理水量在上限,平常在2.9万吨左右。污水厂尚未使用回用

27、水。每天水厂耗电7千度,耗电0.23-0.25度/吨污水。每天水厂外运15吨含水率75%的剩余污泥,药耗为0.25克/吨污泥。制水成本波动在0.290.35元/吨污泥之间,平均为0.31元每吨污泥。污水收费则由政府统一收费,具体费用已经算在自来水的收费中了。较为遗憾的是污水厂由施工方建好后交由湖北浦华水务有限公司托管运营时并未留下较多的数据,其中部分数据是由污水厂员工在长期工作中总结出的。另外实习过程中还有大量的照片,版面所限未全部打印。在此对我的实习指导人王进已及接纳我实习的有关领导表示感谢!沙坪坝水厂实习报告姓名:皮家悦学号:20066501实习时间:7月27号7月31号(净实习时间5天)

28、实习单位:重庆市沙坪坝水厂实习指导人:黄艺第二个实习地点我选择了我们较为熟悉的高家花园水厂,这个水厂我们曾多次参观。这次实习则让我对水厂的各类设备的参数有了更深层次的熟悉。重庆市自来水公司沙坪坝水厂始建于1945年,是一座拥有50余年历史的制水企业。沙坪坝水厂的供水区域,东到渝中区华村,西至歌乐山山洞地区,南起中梁山云峰、石堰,北到童家桥、重庆特殊钢厂辖区,面积约65.7平方公里。供水人口包含沙坪坝全域、渝中区、高新区与九龙坡部分人口共48.7万人口的生产、生活用水。水厂于2003年12月进行了改造,当年更是被市政府列为八大民心工程之一。改造工程要紧包含取水、净水厂与旧官网改造三部分。改造后的

29、沙坪坝水厂日供水能力得到提高,同时供水区内饮用水水质达到了国家一类水司水质标准。改造后的新水厂规模为20万m3/日,首期工程为20万m3/日的常规处理部分,下阶段工程为深度处理、废水回收与泥沙处理部分,总投资4.742亿元(包含城市管网)。其中取水头部及自流进水管道、一级泵站、原水管道、配水混合池、斜管预沉池、汽水冲洗砂滤池、加研加氯间等已基本建成,二级泵站、新的平流沉淀池、综合楼、机修仓库车库等、食堂等生产及辅助车间,为已建在建或者马上建设的内同。在建设的同时,已预留了下阶段工程深度处理、废水回收与泥沙处理的场地、流程与接口。沙坪坝水厂建设广泛使用了新标准、新工艺、新设备,使得工程整体级数处

30、于国内先进水平。-水厂水源取水1、水源与取水高家花园水厂老取水井建于1964年,为湿式深井泵房取水,深井直径7.0m,深度为40.3m,共设置了4台深井泵,N=500kw,最大运行工况为三用一备。1975年在原有深井泵房西北角60m处,另建成新取水湿井一座,新深井底部标高由原老井的泵房158.OOm降至157.30m(高程为黄海高程)深井简体的降低,有利于取水流量的保证率的提高。高家花园水厂的水全部取自嘉陵江,嘉陵江水常年平均浊度82NTU,雨季平均300-500NTU,最低平均20NTU,钢制箱式取水头部:新建钢制箱式取水头部嵌于河床基岩中,用混凝土梁支点并用水下混凝土包裹。2、取水泵房取水

31、泵房设计使用的是离心泵干井泵房。泵房熟知内径18.5m,底部黄海标高为159.2m,泵房室内地坪标高198.9m,高于三峡水库运行三十年后取水点处百年一遇洪水位(197.00)。并设15吨环形桥式起重机一台,用于设备安装与检修,与一部工作电梯与楼梯。泵房上部使用矩形布置,平面尺寸为26.4x24.8m,与井筒分开。泵房安装了四台日本进口的卧式离心泵,三用一备,Q=3240m3h,H=82m,N=900kw.各另配扬程为72m的小叶轮,以习惯夏季嘉陵江水位的涨落变化,而不出现过载跳闸的现象,亦在较高效率范围运行。取水水泵为自灌式启动。压水管路设置液动双速自闭闸阀,有效防止各类水锤,如启动水锤、关

32、闭水锤、停泵水锤等。泵房内还配置有排水泵两台及送抽风机系统。电机使用水冷式电机,冷却水使用水厂自用水,冷却水系统设减压稳压装置(使用平衡水箱稳压,水箱设在室外),水压操纵在0.5MPa下列,废水接入水泵吸水总管。3、原水输水管道四台取水泵出水管连通后,由两根DN1200钢管将原水输送至水厂配水池。配水池地面标高240.Om,单管长度410m,管道两端高差达42m以上。管道起端设有连通阀与检修阀,沿途设有排泥放空阀井与排气装置。在生产过程中,应定期巡查管道沿线,保障排泥放空阀完好,保证排气装置畅通,避免出现机器故障与漏水现象,继而有效降低发生水锤事故时的水锤压力,保护管道安全正常运行。二.水处理

33、工艺与构筑物1、配水混合池其作用是高浊度季节时的预沉池进水加矶水力混合,向预沉池均匀配水与拦截进水种的细小漂浮物等。2、预沉池其作用是高浊度时及时沉砂与去浊,以降低后续构筑物沉淀池的负荷,确保沉淀池出水浊度满足要求。而当进水水质较好时,可不通过预沉池,用超越管直接引至絮凝池。预沉池使用斜管沉淀方式,大大节约了用地。斜管预沉池每口预沉能力为6.67万m3d,3口共20万m3do絮凝时间为12分钟,液面上升流速为3.14Inms,池深5.6-6.OnIo池内由液动二位四通电磁阀操纵压力,水驱动池底阀排泥。每池有51个排泥斗,每一斗底设一排泥阀。大部分为一个电池阀拖动2个池底阀,这2个池底阀处于相邻

34、的2跟排泥管上。每池30个电磁阀,预沉池共153个排泥阀,由90个电磁阀操纵。3、网格絮凝池it一5,;:?:U-一szl!:s:s:i:s: il 解 RSlllt一三B1!Bl.BBli!liaBliIBBlaB :沉淀池的絮凝方式使用多格,串联式的网格形式,能够在较小空间(较短时间,13.5分钟)内获得满意的絮凝效果。其加研直接被投注到DN1800总进水管,通过弯头、三通、阀门等水力混合与第一格搅拌机机械快速混合,保证在尽量短的时间内充分均匀混合,然后进入各个串联式网格絮凝池,再进入平流沉淀池。每池规模为10万M3d,两池共20万m3do网格絮凝池池深6.05m,池内排泥方式同斜管预沉池

35、。含过度区工92斗,每斗一池底排泥阀,有92个电磁阀独立操纵。电磁阀则由计算机操纵,确保排泥畅通,并节约排泥水量,保证后续平流沉淀效果。4.平流沉淀池(叠合清水池)平流沉淀池与清水池合建是沙坪坝水厂的一大特点。清水池位于沉淀池之下,这样大大节约了空间。平流沉淀池与下部的清水池,要紧参数如下:沉淀停留时间:99分钟水平流速:15.65m/s进水方式:八字形竖条配水枪出水方式:小孔出水堰,出水堰流量为350m3Md排泥方式:水平刮泥桁架,泵吸式自动排泥装置沉淀池共两池,每池六格。每池可单独运行,沉淀池总长110.32m,单池宽25.70m,沉淀池水深3.30m。清水池总长94.67m,单池宽27.

36、20m,结构上共分为4格,总容积2万m3.沉淀池出水浊度尽量低,能够减轻后续滤池的运行负荷,延长反冲洗时间,节约冲洗水量,而且还能够明显降低滤池浊度,提高出水水质。5、V型滤池新建成的气水反冲洗均粒滤料滤池(V型滤池)与普快滤池、虹吸滤池等相比,要紧优点是过滤周期长,出水水质优良,材料冲洗干净、自动化程度高、单池面积大、节约反冲洗水等。同时还考虑了与深度处理的衔接与预留空间。其要紧设计参数如下:处理能力:20万m3d,分为8格,单格过滤面积125m2过滤速度:8.70mh强制滤速:11.7mh滤料:石英砂,0.8-1.20三,dl0=0.90,k601.35虑层厚度:L3T4m冲洗方式:气一气

37、水结合一水冲洗,三个阶段共15分钟变强度冲洗方式。气冲强度:15LSM,水冲洗强度:3.5-6.4L/S.M2,水表面扫洗强度1.8-2L/S.M2配水形式:塑料厂柄滤头或者增强塑料滤砖,开孔率L40%单格尺寸:15.00mx3.50mX2,总尺寸:70.31mX24.15过滤周期为16.3小时,在秋冬季节水质较好时最长时间不超过28小时。出水NTU为0.105左右,有仪器监测出水NTU。滤池进水管为2根DN1400钢管,进水渠道处缩为1300,滤池出水总管前端为DN1600,后端为DN2000,再进入反冲洗泵房溢流堰前的恒定水位吸水井,保证冲洗流量稳固。6、砂滤池反冲洗泵房冲洗泵使用3台干式

38、安装的潜水泵,单台Q=1330m3h,H=8m,55kw0气水联合充水泵开一台,最后单独水冲漂洗时水泵开两台。罗茨鼓风机3台,单台Q=44.lm3min,H=0.4bar,45KW.7、加药间新建加药间的机库、氯库均布置在同一单层建筑内,减少二次搬运量。根据沙坪坝水厂使用习惯及货源供应情况,混凝剂以液体碱铝为主,固体铝碱备用。由于原水浊度集结差异很大,混凝剂投量按浊度最大三个月的平均投量计,总投量按20mgl计并以此来确定溶解池与溶液池的溶剂。考虑到受场地限制与货源供应等因素,加药间内库房面积不大,但另在加药间外设置了液体碱铝贮液池,容积约100m3,用替身泵直接投加到溶液池。碱铝投加方式,用

39、液压传动计量泵投加,共设六台,4用2备。7、送水泵房高家花园水厂的供水时变化系数在L37左右,原送水扬程在86-90m,现通过管网优化调整,要求最高日最大时供水扬程在81m左右,安装高效率的进口卧式离心泵六台,五用一备。使用分级加压供水方式。单台水泵性能参数:Q=2500m3h,H=78m,n=1480转/分,效率在89%以上,Pe=710kw,冷却水使用水厂自用水。泵房为半地下式结构,地下部分深度为6.8m,自灌式启动。泵房总出水管为2根DN1200钢管,并设有检修阀与连通阀。三.水厂运行状况水厂人员编制为172人包含了车间工作人员、管理人员、保洁驾驶人员与后勤员工。水厂每日的实际产水量可达

40、21万吨,药耗为2.4kg液体碱铝每吨水,电耗为675度电每吨水。化验室每天都要对原水、出水进行检验,日检查项目共九项:浊度、PH、余氯、温度、大肠杆菌、耐热大肠杆菌、耗氧量、氨氮与总碱度。关于全部的106项检测指标则是定期检查。同时水厂也给了我们一些资料,如工艺平面布置图、水质检验报告等,会在后面附录附出。实习总结大学本科的最后一个暑假是在忙碌中度过的,报了一个考研辅导班,八月份要集中上一个月的课。因此集中实习完成后,我便回到家中马不停蹄的联系实习单位。尽管实习时间短暂只有一周,当我仍然收获很大。在系统的学习了主干专业课后,对原理有了很深刻的懂得,在实习中相关于认识实习与集中实习也更富有针对

41、性。同那些工作人员的接触与许多实际问题的讨论中,我不得不感叹我的理论同实际之间的差距。常言道读万卷书不如行万里路。实习中我针对我平常学习中困惑的地方,特别留意各类构筑物。理论加上实践,这种感性的认识更让我的专业技能得到了很大的提升。同时在待人处事这方面,我的能力也得到了锻炼。在工作态度与工作方法上都让我的到了提升。因准备考研,时间所限,因此在分散实习中不管是准备还是实习的过程中都显得有些仓促,报告也有诸多不足之处。望老师见谅!沙坪坝水厂出厂水日检项目报表填报单位:沙坪坝水厂(沙水厂).填报日期:2009年07月29日.取样地点日Wix水温COPH肉眼可见物嗅与味余氯(mgL)浑浊度(NTU)色

42、度(度)细菌总数(CFUZmL)总大肠菌群(CFUKX)mL)耐热大肠菌群(CFUZlOOmL)耗氧量(mgL)铝(mgL)铁(mgL)高家花园水厂09.06.2625.07.46未见无0.720.2150001.760.00809.06.2725.07.42未见无0.980.19500009.06.2826.07.45未见无0.810.20510009.06.2927.07.47未见无0.800.2450001.760.00809.063026.07.49未见无0.720.2352001.920.00809.07.0126.07.21未见无0.700.2151001.740.00809.07

43、.0225.07.27未见无0.720.1850001.760.00809.07.0326.07.36未见无0.600.2551001.580.00809.07.0425.57.30未见无0.810.20510009.07.0526.07.30未见无0.750.23510009.07.0625.07.40未见无0.700.2850001.760.00809.07.0725.07.44未见无0.700.2152001.680.00809.07.0827.07.47未见无0.780.2150001.400.00809.07.0926.07.41未见无0.540.1950001.6009.07.10

44、27.97.38未见无0.720.2350001.4009.07.1127.07.42未见无0.820.20500009.07.1227.07.30未见无0.720.22520009.07.1328.07.37未见无0.800.2250001.840.00809.07.1426.07.42未见无0.820.1950002.320.008沙坪坝水厂出厂水日检项目报表取样地点目水温(eC)PH肉眼可见物嗅与味余氯(mgL)浑浊度(NTU)色度(度)细菌总数(CFUZmL)总大肠菌群(CFUZlOOmL)耐热大肠菌群(CFUZlOOmL)耗氧量(mgL)铝(mgL)铁(mgL)汉渝路水厂09.06.26取水样时停运行09.06.27取水样时停运行09.06.28取水样时停运行09.06.29取水样时停运行09.06.30取水

展开阅读全文
相关资源
猜你喜欢
相关搜索
资源标签

当前位置:首页 > 在线阅读 > 生活休闲


备案号:宁ICP备20000045号-1

经营许可证:宁B2-20210002

宁公网安备 64010402000986号