环保验收公示-漯河市金山畜牧科技有限公司年产6万吨饲料生产线项目监测表.docx

上传人:夺命阿水 文档编号:1174135 上传时间:2024-03-26 格式:DOCX 页数:21 大小:99.07KB
返回 下载 相关 举报
环保验收公示-漯河市金山畜牧科技有限公司年产6万吨饲料生产线项目监测表.docx_第1页
第1页 / 共21页
环保验收公示-漯河市金山畜牧科技有限公司年产6万吨饲料生产线项目监测表.docx_第2页
第2页 / 共21页
环保验收公示-漯河市金山畜牧科技有限公司年产6万吨饲料生产线项目监测表.docx_第3页
第3页 / 共21页
环保验收公示-漯河市金山畜牧科技有限公司年产6万吨饲料生产线项目监测表.docx_第4页
第4页 / 共21页
环保验收公示-漯河市金山畜牧科技有限公司年产6万吨饲料生产线项目监测表.docx_第5页
第5页 / 共21页
点击查看更多>>
资源描述

《环保验收公示-漯河市金山畜牧科技有限公司年产6万吨饲料生产线项目监测表.docx》由会员分享,可在线阅读,更多相关《环保验收公示-漯河市金山畜牧科技有限公司年产6万吨饲料生产线项目监测表.docx(21页珍藏版)》请在课桌文档上搜索。

1、建设项目名称年产6万吨饲料生产线项目建设单位名称源河市金山畜牧科技有限公司建设项目主管部门建设项目性质新建改扩建技改迁建(划J)主要产品名称设计生产能力实际生产能力主要产品:浓缩饲料设计生产能力:6万吨/年(订单量2万吨/年)实际生产能力:1.74万吨/年环评时间2011年3月开工时间2007年9月投入试生产时间2015年10月现场监测时间2015年11月24日环评报告表审批部门漂河市环境保护局环评报告表编制单位漂河市环境科学技术研究所环保设施设计单位太湖粮食机械设备厂环保设施施工单位太湖粮食机械设备厂投资总概算2000万元环保投资总概算25万元比例1.25%实际总概算2100万元环保投资28

2、万元比例1.33%验收监测依据1建设项目环境保护管理条例(国务院令第253号,1998年U月29日)2建设项目竣工环境保护验收管理办法(国家环保总局令第13号,2001年12月27日)3关于建设项目环境保护设施竣工验收监测管理有关问题的通知(国家环保总局环发200038号)验收监测依据4关于潺河市金山畜牧科技有限公司年产6万吨饲料生产线项目环境影响报告表的批复(溪河市环境保护局深环监表201130号,2011年3月18日)5关于同意*累河市金山畜牧科技有限公司年产6万吨饲料生产线项目试生产的通知6累河市环境保护局潦环评试2035号,2015年10月12日)6漂河市金山畜牧科技有限公司年产6万吨

3、饲料生产线项目环境影响报告表C累河市环境科学技术研究所,2011年3月)7关于深河市金山畜牧科技有限公司年产6万吨饱料生产线项目试生产前的环保核查情况的报告G累河经济技术开发区建设和环境保护局,2015年10月8日)8溪河市金山高牧科技有限公司验收监测委托书验收监测标准标号、级别地表水环境质量标准(GB3838-2002)V类标准环境空气质量标准(GB30951996)二级标准声环境质量标准9830962008)2类声环境功能区标准项目环评中采用的污染物排放标准大气污染物综合排放标准(GB16297-1996)表2中颗粒物最高允许排放浓度120mgm3,无组织排放监控浓度限值1.0mgm3.工

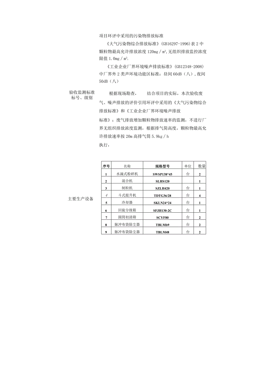
4、业企业厂界环境噪声排放标准(GB12348-2008)中厂界外2类声环境功能区标准:昼间60dB(八),夜间50dB(八)验收监测标准标号、级别根据现场勘查,结合项目的实际,本次验收废气、噪声排放的评价引用环评中采用的大气污染物综合排放标准和工业企业厂界环境噪声排放标准;废气排放增加颗粒物排放速率的监测,不进行厂界无组织排放浓度监测,根据排气简高度,颗粒物最高允许排放速率按20m高排气筒5.9kgh执行,主要生产设备序号名称规格型号单位数量1水滴式粉碎机SWSP138*45台22混合机SLHS12013制粒机SZLH420台14斗式提升机TDTG36/28台45冷却器SKLN24*24台16回

5、旋分级箱SFJH130-2C台17圆筒初清筛SCYF80台28脉冲布袋除尘器TBLMb9台29脉冲布袋除尘器TBLM48台2主要生产工艺及污染物产出流程(附示意图):购买豆粕、玉米酒精糟等原料经检验后进入投入仓内,经过粉碎机粉碎,通过电脑控制按配方的比例,把几种原料同时进入混合机混合,混合好后进行自动下料,再通过提升机提到成品筛,合格的产品又通过另一个提升机放到成品仓,然后通过包装机进行包装。具体工艺流程和污染物产出见下图:饲料生产工艺流程及污染物产出示意图主要污染源、污染物处理和排放流程(附示意图):本项目主要污染源有原料进料工段、粉碎工段、混合工段、筛选工段、包装工段以及水滴式粉碎机、混合

6、机、制粒机、斗式提升机、分级筛、初清筛、包装机、风机等机械设备,主要污染物有粉尘(颗粒物)、餐饮废水、办公区生活污水、噪声以及固体废物等。生产过程中进料工段、粉碎工段产生工艺废气,主要污染物是粉尘,通过脉冲除尘器处理后经过21叫哥排气简直接排入大气中:另有少量无组织排放的粉尘。本项目无生产废水排放,厂区设置旱厕,办公区生活污水和旱厕粪便经堆肥后,由附近农民拉走施用于农田;职工食堂就餐人数少,餐饮废水收集到容器后由附近养殖户拉走饲养牲畜,本项目无废水排放。水滴式粉碎机、混合机、制粒机、斗式提升机、分级筛、初清筛、包装机、风机等机械设备产生噪声。固体废物主要为原料清理产生的杂质、生产过程中除尘器收

7、集的颗粒物以及职工生活垃圾。除尘器收集的颗粒物回用于生产过程,不外排:原料清理产生的杂质和职工生活垃圾由环卫部门统一收集清运和处理。各污染源产生污染物的处理和排放流程为:含尘气体一一脉冲除尘器处理-一21m高排气筒排放生活污水、旱厕粪便一一堆肥一一农田施用餐饮废水容器收集一一喂养牲畜原料杂质和职工生活垃圾一一环卫部门统一清运处理各种机械设备减振处理一一噪声一消声隔声处理环评建议:(1)对粉碎机、空压机、鼓引风机等高噪声设备,采取车间密闭隔声、基础减振、安装消声器等措施,减少噪声排放。(2)加强工艺除尘设备的管理和维护,减少粉尘的无组织排放,同时将排气筒高度加高至15m,(3)拆除现有燃煤锅炉,

8、(4)食堂按要求安装油烟净化器,(5)加强厂区及厂界周围绿化,种植具有阻滞、吸着和阻挡空气中颗粒物作用的法国梧桐、洋槐、榆树等以及具有降噪作用的女贞、樟树、木兰、柳树等植物,减轻项目废气和噪声对环境的污染,环评批复:(1)项目建设单位应按承诺时限拆除现有IMh燃煤锅炉,同时将脉冲除尘器排气简高度加高至15米,(2)落实环评提出的粉碎、进料等工段粉尘污染防治措施,安装脉冲布袋除尘器除尘,排气筒高度不得低于15米,大气污染物排放应满足大气污染物综合排放标准(GB16297-1996)表2中二级标准要求;职工食堂应以清洁能源为燃料,并按照规范安装油烟净化器,食堂油烟排放应满足饮食业油烟排放标准(GB

9、18483-2001)收2标准要求.(3)对粉碎机等高噪声源采取基础减振、车间封闭等隔音降噪措施,使厂界噪声满足工业企业厂界环境噪声排放标准(GB12348-2008)2类标准要求。(4)项目生产过程中收集的颗粒物,全部回用于生产;原料清理的杂质妥善收集后运至垃圾填埋场填埋:建设防渗溢旱厕,使职工粪尿经早厕收集后全部回用于周边农田堆肥,(5)生产过程中产生的废弃包装物、除尘器收尘等固废应妥善收集、综合利用:职工生活垃圾定点袋装后交环卫部门集中处置。(6)项目批复后,项目单位应对照环评及审批要求,落实各项污染防治措施,待各项污染防治措施建成后,及时向我局提出试生产申请,经批准后方可进行试生产。试

10、生产3个月内向我局申请竣工验收,经验收合格后方可正式投入生产。表5验收监测内容验收监测内容:I生产工况调查和分析在验收监测期间,调查该公司生产情况,调查生产用主要原辅材料的种类和用量以及产品产量,判断生产工况是否达到国家对建设项目竣工环保设施验收监测生产工况的有关要求。2废气监测该项目进仓、粉碎工段共设置四台脉冲袋式除尘器,两台TBLMb9除尘器处理后的废气合用一个排气筒(南)排放,两台TBLM48除尘器处理后的废气经各自配套的排气筒(北和中)排放,两个排气简型号相同,抽测一个。本次验收废气监测内容见表a.表a废气监测内容编号监测点位监测因子监测频次1#TBLM48除尘器排气筒(中)废气量、粉

11、尘排放浓度和排放速率每周期3次,两个周期2#TBLMb9除尘器排气筒(南)3厂界噪声监测在公司四周厂界各设一个噪声监测点,对公司厂界噪声进行监测,监测内容见表b。表b厂界噪声监测内容噪声类别监测点位监测因子监测频次厂界噪声沿厂界四周各布设一个点昼、夜等效声级连续三天验收监测内容:4敏感点噪声监测在公司东南邻的第十一中学校设一个噪声监测点,进行敏感点噪声监测,监测内容见表c.表C敏感点噪声监测内容噪声类别监测点位监测因子监测频次环境噪声公司东南第十一中学昼、夜等效声级连续三天5固体废物调查和其他监测期间调查固体废物处理处置是否满足环评和批复要求.设施监测点位测日监项监测日期监测结果处理效率执行标

12、准标准值参照标准标准值备注123456均值或范围泰Hr(中)除尘后排气量2015.11.211100108001120011000/Nb,/h粉尘浓度36.542.436.938.6120IngZNn3粉尘量0.4050.4580.4130.4255.9kg/h排气量2015.11.311300112001140011300N三,h粉尘浓度31.937.428.032.4120ogbn3粉尘量0.3600.4190.3190.3665.9kg/h端除尘器()排气量2015.11.21430156012301410/N三,h粉尘浓度25.837.838.033.9120mgNn3粉尘坦0.037

13、0.0590.0470.0485.9kg/h排气量2015.11.31270140013201330N三,h粉尘浓度35.524.740.233.4120mgNn3粉尘量0.0450.0350.0530.0445.9kg/h设施一曲位一一瞄目监测项日监测日期监测结果处理效率执行标准标准值参照标准标准值备注123456均值或范围排水量/无废水排放。排水量/Z/排水量/噪声监测 点位布设 (示意图) 监测结果环境噪声监.测点厂界噪声监测点厂区平面布置及监测点位布设示意图噪声监测 点位布设 (示意图) 监测结果对漂河市金山畜牧科技有限公司年产6万吨饲料生产线项 目竣工环保验收监测于2015年U月24

14、日进行,厂界噪声、 东南邻的第十一中学敏感点噪声的监测统计结果见下表弋、监测日v期 点时位 段、11.211.311.4北厂界昼间47.948. 148.7夜间43.544.542.9西厂界昼间50.250.051.2夜间44.044.544.8南厂界昼间48.453.551.3夜间41.541.242.1东厂界昼间55.756.655. 1夜间43.342.443.3第十一 中学昼间58.759.257. 1夜间45.444.945.2噪声监测结果统计表单他dB(A)根据以上噪声监测统计结果,验收监测期间,漂河市金山高牧科技有限公司东、南、西、北厂界昼间、夜间噪声测定值范围分别为47.956

15、.6dB(八)、41.244.8dB(八),均符合工业企业厂界环境噪声排放标准(GB12348-2008)界外2类声功能区标准限值,无超标现象。验收监测期间,深河市金山畜牧科技有限公司东南邻的第十一中学昼间、夜间噪声测定值范国分别为57.159.2dB(八)x44.945.2dB(八),可以满足声环境质量标准(GB30962008)2类声环境功能区标准。验收监测期间主要原辅材料消耗、能耗及产品产量统计表料类物种日期实际耗量或产殳(tdkwhd)设计耗值或产量(td.kwhd)消耗率或生产负荷(%)豆粕11.2455137.5532.901134522328811.4453933.00秫酒精精1

16、1.28.3633.1711.38.3325.233.0611.48.3233.0211.21.433.33富肽宝11,31.44.233.3311.41.43333-鱼粉11.22.16.333.3311.32.133.33Ilt42.133,33石粉11.23.5010.633.3311.33.4332.6711.43.4632.9511.21.7033.33监测工况及必要的原材料监测结果油脂1L31.665.132J511.41.6832.94随磷脂希11.22.16.333,3311.32.1333311.42.13X33预混料11.21.544.6233.3311.31.5433.3

17、311.41.5433.33电11.21641510032.1811.3165932.5311.4168733.08视饲料11.211.309.7869.56240(80t)29.08(87.23*)28.98(86.95*)11.469.6328.97(86.91*)备注:*为订单值;为根据订单值核算的生产负荷.验收监测期间,深河市金山畜牧科技有限公司年产6万吨饲料生产线项目原辅材料消耗率32.5533.33%,电消耗率32.18-33.08%,生产负荷28.9729.08%;受市场的影响,该公司根据订单生产,以控制库存,验收监溶期间订单量为80td,按订单量生产确定生产负荷为86.9187

18、.23%,可以满足国家对建设项目竣工环保设施验收监测生产工况的有关要求.环评建议和环评批复落实情况:类别序号环评建议或批复内容检查结果环评建议1对粉碎机、空压机、鼓引风机等高噪声设备,采取车间密闭隔声、基础减振、安装消声器等措施,减少噪声排放。已落实,高噪声设备已采取减振、隔声、安装消声器措施。2加强工艺除尘设备的管理和维护,减少粉尘的无组织排放,同时将排气简高度加高至15h已落实.排气筒高度已加高至21b3拆除现有燃煤锅炉.基本落实。观点已折除,锅炉房已封。4食堂按要求安装油烟净化器,基本落实。食堂就餐人数少,使用电炊具做饭,安装抽油烟机。5加强厂区及厂界周围绿化,种植具有阻滞、吸着和阻挡空

19、气中颗粒物作用的法国梧桐、洋槐、榆树等以及具有降噪作用的女贞、樟树、木兰、柳树等植物,减轻项目废气和噪声对环境的污染。已落实。厂区厂界已进行了绿化环评建议和环评批复落实情况(续):类别序号环评建议或批复内容检查结果溪河市环境保护局审批意见1项目建设单位应按承诺时限拆除现有lth燃煤锅炉,同时将脉冲除尘器排气筒高度加高至15米=基本落实,锅炉管道已拆除,锅炉房已封;排气简加高三21米,2落实环评提出的粉碎、进料等工段粉尘污染防治措施,安装脉冲布袋除生器除尘,排气筒高度不得低于15米,大气污染物排放应满足大气污染物综合排放标准(GB16297-1996)表2中二级标准要求:职工食堂应以清洁能源为燃

20、料,并按照规范安装油烟净化器,食堂油烟排放应满足饮食业油烟排放标准(GB18483-2001)表2标准要求,己落实。安装了布袋除尘器,排气筒高21米,排放达标:食堂采用电炊具,安装有抽油烟机。3对粉碎机等高噪声源采取基础减振、车间封闭等隔音降噪措施,使厂界噪声满足工业企业厂界环境噪声排放标准(GB12348-2008)2类标准要求,已落实。厂界噪声达标。4项目生产过程中收集的颗粒物,全部回用于生产:原料清理的杂质妥善收集后运至垃圾填埋场填埋:建设防渗溢旱厕,使职工粪尿经旱厕收集后全部回用于周边农田堆肥。已落实。收集的颗粒物、清理的杂质、粪尿均按要求进行了处置。5生产过程中产生的废弃包装物、除尘

21、器收尘等固废应妥善收集、综合利用;职工生活垃圾定点袋装后交环卫部门集中处置。已落实。6项目批复后,项目单位应对照环评及审批要求,落实各项污染防治措施,待各项污染防治措施建成后,及时向我局提出试生产申请,经批准后方可进行试生产。试生产3个月内向我局申请竣工验收,经验收合格后方可正式投入生产。已落实,各项污染防治措施已建成,并按规定申请环保验收。固体废弃物综合利用处理:该项目产生的固体废物包括原料中清理出的杂质、脉冲除尘器收集到的颗粒物以及职工生活垃圾等.脉冲除尘器收集到的颗粒物量约350ta,全部叵用于生产中,原料杂质和职工生活垃圾产生量约50ta,由专人清运后交由环卫部门统一处理处置,固体废物

22、未在厂内长期堆存,绿化、生态恢复措施及恢复情况:该项目厂区原为职业高中高牧专业实验实习基地,后经批准改制为公司制企业从事饲料生产,项目建设前后基本不改变土地用途,厂区占地面积11200m2,可绿化面积750m2,已绿化面枳600m2,绿化率80%,绿化系数5.36%项目建设前后对绿化、生态无明显影响。环保管理制度及人员责任分工:漂河市金山畜牧科技有限公司制定有生产操作规程、原料贮存管理制度、垃圾清运制度以及其他相关的环保管理制度,各项制度能够落到实处。公司办公室对环保工作进行归口管理,配置2名兼职人员具体负责企业环保方面的事宜,管理环保档案以及与环境保护相关的文件资料,监测手段及人员配宜:该公

23、司尚无配置监测设备,未配备监测人员,日常监测工作可以委托谭河市环境监测中心站进行应急计划:无.存在的问题:无。其他:无。验收监测结论:溪河市金山高牧科技有限公司购置豆粕、玉米酒精糟、富肽宝、鱼粉、石粉等原料并进行检验后投入进料仓,经过粉碎、配比、混合生成浓缩饲料,检验包装后入库.该项目无生产废水产生:少量的餐饮废水由附近养殖户拉走喂养牲离,不排放;原料进料、粉碎工段产生的粉尘经脉冲袋式除尘器处里后通过21m高的排气简排放;脉冲袋式除尘器收集到的粉尘全部作为原料回用于生产,原料中清理出的杂质和职工生活垃圾由专人清运后交由环卫部门统一处理处置,固体废物未在厂区长期堆存:主要机械设备采取减振、隔声、

24、消声措施,降低噪声源强。验收监测期间废水、废气、噪声和因体废物的处理处置能满足环评和批复要求。验收监测期间,饲料生产负荷只达到设计负荷的28.98%,但该公司为了所售产品的保质期,需要根据订单生产,生产负荷达到订单量的87.23%,可以视为满足建设项目竣工环保验收的生产负荷要求。验收监测期间,饲料生产线原料进料、粉碎工段产生的粉尘经脉冲袋式除尘器处里后的排放浓度和排放速率均符合大气污染物综合排放标准(GB16297-1996)表2中二级标准限值;验收监测期间,溪河市金山高牧科技有限公司东、南、西、北厂界昼间、夜间噪声测定值均符合工业企业厂界环境嗓声排放标准(GB12348-2008)厂界外2类

25、功能区标准限值;公司东南相邻的第十一中学昼间、夜间噪声测定值均可以满足声环境质量标准(GB30962008)2类声环境功能区标准限值,且噪声等效声级均高于溪河市金山畜牧科技有限公司东、南厂界对应时段噪声等效声级。由建设单位对公司周边居民和相邻的第十一中学师生进行的公众意见调直显示,全部被调查对象均认为该项目施工期对公众没有产生影响,亦未发现有扰民现象或纠纷:69$以上的被调查对象认为该项目在试生产期没有产生影响,其余认为试生产期有较轻的影响,主要是噪声或固体废物储运及处理处置产生的影响,39%的人员对该公司本项目的环境保护工作较满意,其余人员对该公司环保工作满意,无不满意人员;试生产期间未发生

26、过环境污染事故。综合分析,*累河市金山离牧科技有限公司年产6万吨饲料生产线项目基本满足建设项目竣工环境保护验收要求,建议:I鉴于该公司餐饮废水由附近养殖户拉走喂养牲畜、生活污水和早厕粪便山附近农民拉走施于农田,要不断与养殖户和农民协调,及时拉走废水粪便,确保不会因为清运的不及时而造成污染,2加强对原料进料、粉碎等工段脉冲袋式除尘器的运行管理,确保排放的废气中粉尘浓度稳定达标。4加强原料运输、装卸、存放、生产等过程的管理,降低扬尘,确保不对厂界颗粒物无组织排放浓度和周围环境产生影响4加强对原料清理出的杂质和职工垃圾的清运管理,减少在厂区的堆存,避免造成二次污染,5加强全厂环保及安全管理,严防突发性污染事故发生。

展开阅读全文
相关资源
猜你喜欢
相关搜索

当前位置:首页 > 在线阅读 > 生活休闲


备案号:宁ICP备20000045号-1

经营许可证:宁B2-20210002

宁公网安备 64010402000986号