设备安装记录.docx

上传人:夺命阿水 文档编号:336879 上传时间:2023-04-19 格式:DOCX 页数:1 大小:15.58KB
返回 下载 相关 举报
设备安装记录.docx_第1页
第1页 / 共1页
亲,该文档总共1页,全部预览完了,如果喜欢就下载吧!
资源描述

《设备安装记录.docx》由会员分享,可在线阅读,更多相关《设备安装记录.docx(1页珍藏版)》请在课桌文档上搜索。

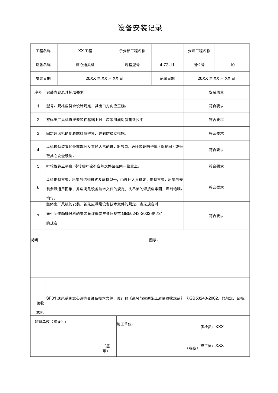
设备安装记录工程名称XX工程子分部工程名称分项工程名称设备名称离心通风机规格型号4-72-11图位号10安装日期20XX年XX月XX日记录日期20XX年XX月XX日序号安装内容及其标准要求安装质量1型号、规格应符合设计规定,其出口方向应正确。符合要求2整体出厂风机直接安装在基础上时,应采用成对斜垫铁找平符合要求3固定通风机的地脚螺栓应拧紧,并有防松动措施。符合要求4风机传动装置的外露部分及直通大气的进、出气口,必须装设防护罩(保护网)或采取其它安全设施。符合要求5叶轮旋转应平稳,停转后叶轮不应每次停留在同一位置上。符合要求6风机钢制支架、吊架的结构形式及规格型号,由设计人员确定,钢制支架、吊架的安装参照通用图集,并应满足设备技术文件的规定;支吊架的焊接应牢固,焊缝饱满、均匀。符合要求7整体出厂风机的安装,首先应满足设备技术文件的规定;当无规定时,无中间传动轴风机的安装允许偏差应参照规范GB50243-2002表731的规定符合要求说明:图示:验收意见SF01送风系统寓心通符合设备技术文件,设计和通风与空调施工质量验收规范(GB50243-2002)的规定,合格。监理单位(建设):(签章)施工单位:(签章)质检员:XXX施工员:XXX

展开阅读全文
相关资源
猜你喜欢
相关搜索

当前位置:首页 > 在线阅读 > 生活休闲


备案号:宁ICP备20000045号-1

经营许可证:宁B2-20210002

宁公网安备 64010402000986号