超声波泥位计MODBUS通讯协议V3版.docx

上传人:夺命阿水 文档编号:371824 上传时间:2023-04-28 格式:DOCX 页数:5 大小:44.34KB
返回 下载 相关 举报
超声波泥位计MODBUS通讯协议V3版.docx_第1页
第1页 / 共5页
超声波泥位计MODBUS通讯协议V3版.docx_第2页
第2页 / 共5页
超声波泥位计MODBUS通讯协议V3版.docx_第3页
第3页 / 共5页
超声波泥位计MODBUS通讯协议V3版.docx_第4页
第4页 / 共5页
超声波泥位计MODBUS通讯协议V3版.docx_第5页
第5页 / 共5页
亲,该文档总共5页,全部预览完了,如果喜欢就下载吧!
资源描述

《超声波泥位计MODBUS通讯协议V3版.docx》由会员分享,可在线阅读,更多相关《超声波泥位计MODBUS通讯协议V3版.docx(5页珍藏版)》请在课桌文档上搜索。

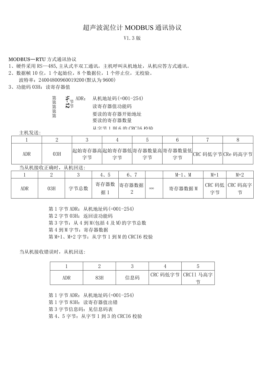
1、超声波泥位计MODBUS通讯协议V1.3版modbusrtu方式通讯协议1、硬件采用RS485,主从式半双工通讯,主机呼叫从机地址,从机应答方式通讯。2、数据帧10位,1个起始位,8个数据位,1个停止位,无校验。波特率:24004800960019200(默认为9600)3、功能码03H:读寄存器值第第第第第节节-12ADR:从机地址码(=001-254)读寄存器值功能码要读的寄存器开始地址要读的寄存器数量从字节1到6的CRCI6校验主机发送:12345678ADR03H起始寄存器高字节起始寄存器低字节寄存器数量高字节寄存器数量低字节CRC码低字节CRe码高字节当从机接收正确时,从机回送:12

2、34、56、7M-1、MM+1M+2ADR03H字节总数寄存器数据1寄存器数据2OOO寄存器数据MCRC码低字节CRC码高字节第1字节ADR:从机地址码(=001-254)第2字节03H:返回读功能码第3字节:从4到M(包括4及M)的字节总数第4到M字节:寄存器数据第M+1、M+2字节:从字节1到M的CRCI6校验当从机接收错误时,从机回送:12345ADR83H信息码CRC码低字节CRCIl马高字节第1字节ADR:从机地址码(=001-254)第1字节83H:读寄存器值出错第3字节信息码:见信息码表第4、5字节:从字节1到3的CRCI6校验4、功能码06H:写单个寄存器值主机发送:12345

3、678ADR06寄存器地址高字节寄存器地址低字节数据高字节数据低字节CRC码低字节CRC码高字节当从机接收正确时,从机回送:12345678ADR06寄存器高字节寄存器低字节数据高字节数据低字-HjCRC码低字节CRC码高字节当从机接收错误时,从机回送:12345ADR86H错误信息码CRC码低字节CRC码高字节第1字节ADR:从机地址码(=001-254)第1字节86H:写寄存器值出错功能码第3字节信息码:见信息码表第4、5字节:从字节1到3的CRCl6校验5、功能码10H:连续写多个寄存器值主机发送:1234567ADRIOH起始寄存器地址高字节起始寄存器地址低字节寄存器数量高字节寄存器数

4、量低字节数据字节总数8、910、11N、N+1N2N+3寄存器数据寄存器数据寄存器数据CRC码低字CRC码高字12M节节当从机接收正确时,从机回送:12345678ADRIOH起始寄存器地址高字节起始寄存器地址低字节寄存器数量高字节寄存器数量低字节CRC码低字节CRC码高字节当从机接收错误时,从机回送12345ADR90H错误信息码CRC码低字节CRC码高字节第1字节ADR:从机地址码(=001-254)第1字节90H:写寄存器值出错功能码第3字节信息码:见信息码表第4、5字节:从字节1到3的CRCI6校验6、寄存器定义表:(注:寄存器地址编码为16进制)寄存器地址内容说明只读寄存器地址内容说

5、明只读OOOO瞬水深/泥位时值(2字节高位在前)0001模拟输出瞬时值(2字节高位在前)0002温度瞬时值(2字节高位在前)0003保留0004保留0005保留0006保留0007保留0008保留0009保留OOOA保留OOOB保留OOOC保留OOOD保留OOOE保留OOOF保留0010保留0011保留0012保留0013保留0014保留0015保留0016保留0017保留0018保留0019保留OOlA保留OOlB保留OOlC保留OOlD保留OOlE保留OOlF保留0020保留0021保留0022报警1值(2字节高位在前)0023报警1回差值(2字节高位在前)0024报警2值(2字节高位在前

6、)0025报警2回差值(2字节高位在前)0026报警3位(2字节高位在前)0027报警3回差值(2字节高位在前)0028报警4值(2字节高位在前)0029报警4回差值(2字节高位在前)002A参考零点(2字节高位在前)002B量程高点(2字节高位在前)002C量程低点(2字节高位在前)002D设定电流(2字节高位在前)OO2E盲区设置(2字节高位在前)002F保留0030保留0031保留0032保留0033保留0034保留0035保留0036保留0037保留0038保留0039保留003A保留003B保留003C保留003D保留003E保留003F保留0040保留0041保留0042保留004

7、3保留0044保留0045保留0046保留0047保留0048保留0049保留004A保留004B保留004C保留004C保留004E保留004F保留0050保留0051保留0052保留0053保留0054保留0055保留0056保留0057保留0058保留0059保留005A保留005B保留005C报警1模式报警2模式005D报警3模式报警4模式005E测量模式单位选择005F算法选择安全物位0060探头类型响应速度0061出厂复位系统复位0062保留0063保留0064保留0065保留0066保留0067保留0068保留0069保留006A006B表型字仪表地址注:2字节16进制表示,高位

8、在前:(注:浮点数都是乘IOO取整后,用16进制表示)返回的水深或泥位值是以Cm为单位(1)举例:当前仪表地址为1发送:01030000000184OA返回:0103020010b988红色的两个字节表示:当前测量值为0.16米(OXO(HO)注意:正负标识位:测量值和温度为正数时,高字节的最高位是0;为负数时,高字节的最高位是1;举例:当前测量是-0.16米时,则返回:0103028010E806测量模式:0测量水深;1测量泥位安全物位:二0,保持;=55,最小值;=AA,最大值;=A5,设定值服警1、2、3、4模式:0关闭;1低位报警;2高位报警单位选择:=0,mm;=1,cm;=2,m算

9、法选择:0特殊环境一;1一特殊环境二;2一特殊环境三;3一特殊环境四;4一特殊环境五;5一德唳环境六;6一幅球环境七探头类型:0一选择1;1一选择2;2一选择3;3一选择4;4一选择5;5一选择6;6一选择7;7一选择8;8一选择9;响应速度:O-慢速;1一中速;2一快速;出厂复位:0否;1一是;系统复位:0否;1一是;寄存器分区域执行读写操作第一区域00100021只读第二区域0022005B读写第三区域005C004B读写同一区域内,可单次读(或写)某一参数,也可以批读(或写)本区域内所有参数,不允许跨区域进行读写操作。 所有保留寄存器目前无定义,保留将来升级兼容。7、信息码表信息码表示意义OlH非法的功能码02H非法的数据地址O3H非法的数据值04HCRCI6校验错05H接收正确06H接收错误O7H参数错误

展开阅读全文
相关资源
猜你喜欢
相关搜索
资源标签

当前位置:首页 > 在线阅读 > 生活休闲


备案号:宁ICP备20000045号-1

经营许可证:宁B2-20210002

宁公网安备 64010402000986号