BJS 201903食品中二苯乙烯类阴离子型荧光增白剂的测定.docx

上传人:夺命阿水 文档编号:748748 上传时间:2023-11-07 格式:DOCX 页数:5 大小:36.05KB
返回 下载 相关 举报
BJS 201903食品中二苯乙烯类阴离子型荧光增白剂的测定.docx_第1页
第1页 / 共5页
BJS 201903食品中二苯乙烯类阴离子型荧光增白剂的测定.docx_第2页
第2页 / 共5页
BJS 201903食品中二苯乙烯类阴离子型荧光增白剂的测定.docx_第3页
第3页 / 共5页
BJS 201903食品中二苯乙烯类阴离子型荧光增白剂的测定.docx_第4页
第4页 / 共5页
BJS 201903食品中二苯乙烯类阴离子型荧光增白剂的测定.docx_第5页
第5页 / 共5页
亲,该文档总共5页,全部预览完了,如果喜欢就下载吧!
资源描述

《BJS 201903食品中二苯乙烯类阴离子型荧光增白剂的测定.docx》由会员分享,可在线阅读,更多相关《BJS 201903食品中二苯乙烯类阴离子型荧光增白剂的测定.docx(5页珍藏版)》请在课桌文档上搜索。

1、附件3食品中二苯乙烯类阴离子型荧光增白剂的测定BJS2019031 范围本方法规定了食用菌、大米、小麦粉和小麦粉制品、淀粉和淀粉制品中Il种二苯乙烯类阴离子型荧光增白剂的高效液相色谱测定方法。11种荧光增白剂包括荧光增白剂24、荧光增白剂71、荧光增白剂85、荧光增白剂90、荧光增白剂113、荧光增白剂210、荧光增白剂220、荧光增白剂264、荧光增白剂353、荧光增白剂357、荧光增白剂5bm.本方法适用于食用菌、大米、小麦粉和小麦粉制品、淀粉和淀粉制品中11种二苯乙烯类阴离子型荧光增白剂的定量分析。2 原理试样经提取、净化后,采用配有荧光检测器的高效液相色谱仪检测,外标法定量。3 试剂和

2、材料注:除另有说明,所有试剂均为分析纯,试验用水采用GB“6682规定的一级水。3.1 试剂3.1.1 甲醇(CHKA:色谱纯。3.1.2 四丁基漠化钺TBA(Ci6H36BrN):色谱纯。3.1.3 氨水(NH3H2O):浓度25%28%3.1.4 0.1%氨水溶液:吸取0.10OmL氨水(3.1.3),加入IOomL去离子水中,混匀。3.1.5 提取液:将甲醇(3.1.1)、水和氨水(3.1.3)按照60:39:1体积混匀。3.1.6 TBA溶液:称取8.05g四丁基溟化钱(3.1.2),用水定容到1L,经045m微孔滤膜过滤后,超声脱气。3.2 标准品11种荧光增白剂标准品的基本信息见表

3、1。表111种荧光增白剂的标准品信息名称染料索引号分子式CAS号荧光增白剂24C.I24CwHooN12Na4O6S412224-02-1荧光增白剂7C.I71C408N12Na2O2S216090-02-1荧光增白剂85C.I85C36H34N12Na28S212224-06-5荧光增白剂90C.190C34H28NIoNazOsSz3426-43-5名称染料索引号分子式CAS号荧光增白剂113CI113C40H42N12Na2OoS212768-92-2荧光增白剂210C.I210CM)H%N12Na4O4S428950-61-0荧光增白剂220C.I220C40H40N2Na4Oi6S4

4、12768-91-1荧光增白剂264C.I264C40H38N2Na622S676482-78-5荧光增白剂353C.I353C40H40%N12Na620S655585-28-9荧光增白剂357C.I357C40H4038N12Na6sS41098-56-0荧光增白剂5bmFWA5bmC38H38Nl2Na28S213863-31-53.3 标准溶液配制3.3.1 标准储备液:称取适量各标准样品(3.2),用0.1%氨水溶液(3.1.4)配制成浓度为100mg/L的标准储备液,04避光保存。有效期3个月。3.3.2 混合标准工作溶液:吸取适量每种标准储备溶液(3.3.1),用提取液(3.1.

5、5)稀释成1.00mg/L的混合标准工作溶液,避光04保存。有效期1个月。3.3.3 混合标准系列溶液:吸取适量混合标准工作溶液(3.3.2),用提取液(3.1.5)配成浓度为0.005mg/L.0.010mg/L.0.020mgL0.050mg/LOlOomg/L的标准系列工作液,临用时配制。4 仪器和设备4.1 高效液相色谱仪:配有荧光检测器。4.2 超声波发生器。4.3 涡旋混合器。4.4 天平:感量分别为0.01g和0.0001go4.5 旋转蒸发仪。4.6 离心机。5 分析步骤5.1 试样制备5.1.1 试样处理从原始样品取出有代表性样品约500g,用捣碎机充分捣碎混匀,均分成两份,

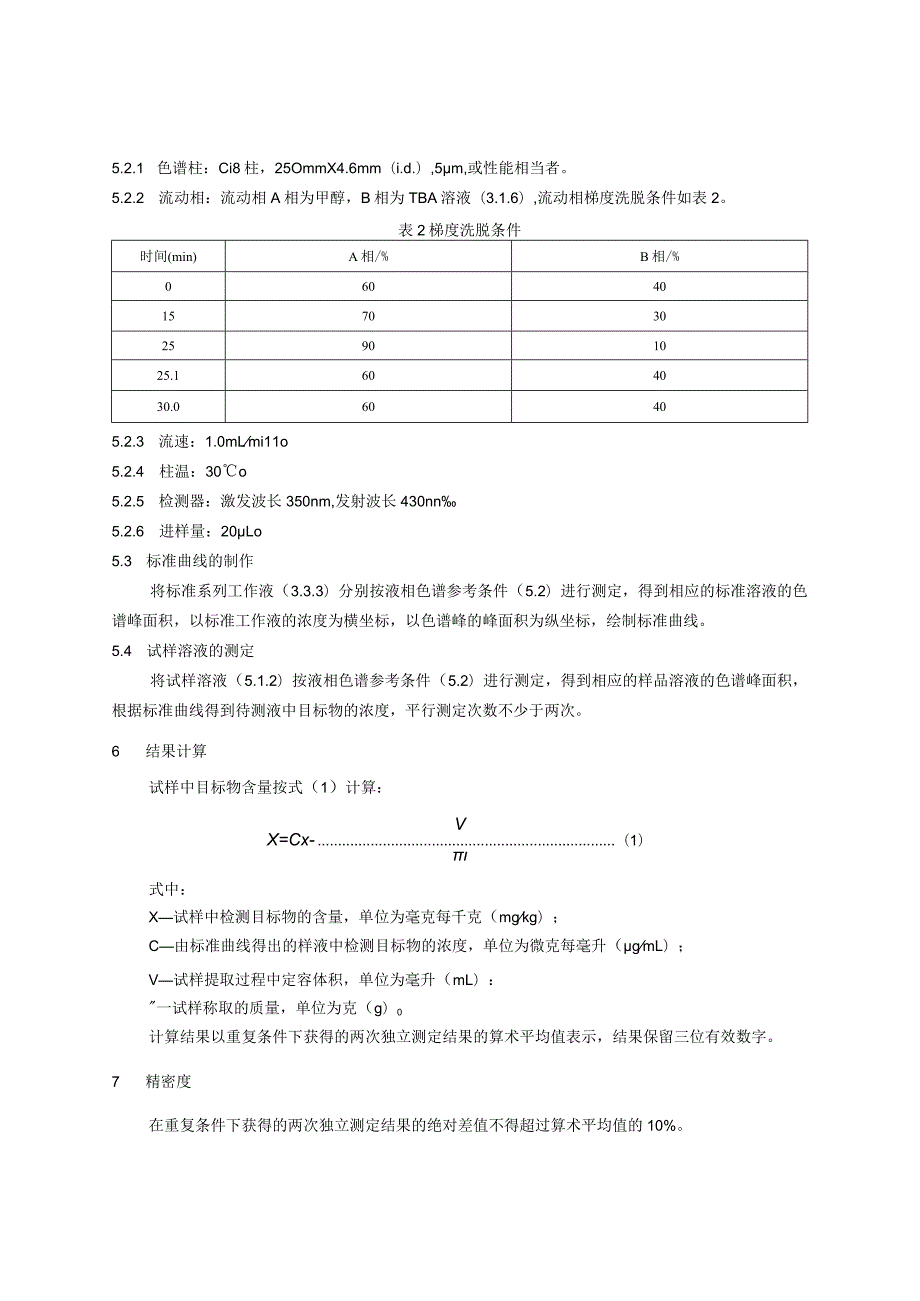
6、分别装入洁净容器作为试样,密封,并标明标记。将试样置于避光保存。5.1.2 试样制备准确称取1g试样(精确至0.01g)置于塑料离心管中,加入提取液(3.1.5)IOmL,涡旋震荡1min,超声10min后,用4000r/min离心5min,取上层清液,0.45m微孔涯膜过滤后进液相色谱仪分析。5.2 仪器参考条件5.2.1 色谱柱:Ci8柱,25OmmX4.6mm(i.d.),5m,或性能相当者。5.2.2 流动相:流动相A相为甲醇,B相为TBA溶液(3.1.6),流动相梯度洗脱条件如表2。表2梯度洗脱条件时间(min)A相/%B相/%0604015703025901025.1604030.

7、060405.2.3 流速:1.0mLmi11o5.2.4 柱温:30o5.2.5 检测器:激发波长350nm,发射波长430nn5.2.6 进样量:20Lo5.3 标准曲线的制作将标准系列工作液(3.3.3)分别按液相色谱参考条件(5.2)进行测定,得到相应的标准溶液的色谱峰面积,以标准工作液的浓度为横坐标,以色谱峰的峰面积为纵坐标,绘制标准曲线。5.4 试样溶液的测定将试样溶液(5.1.2)按液相色谱参考条件(5.2)进行测定,得到相应的样品溶液的色谱峰面积,根据标准曲线得到待测液中目标物的浓度,平行测定次数不少于两次。6 结果计算试样中目标物含量按式(1)计算:VX=Cx-(1)式中:X

8、试样中检测目标物的含量,单位为毫克每千克(mgkg);C由标准曲线得出的样液中检测目标物的浓度,单位为微克每毫升(gmL);V试样提取过程中定容体积,单位为毫升(mL):一试样称取的质量,单位为克(g)0计算结果以重复条件下获得的两次独立测定结果的算术平均值表示,结果保留三位有效数字。7 精密度在重复条件下获得的两次独立测定结果的绝对差值不得超过算术平均值的10%。8 其他当称样量为LOOg,定容体积IomL时,本方法检出限为0.015mgkg,定量限为0050mg/kgo附录A荧光增白剂的高效液相色谱图图A.1荧光增白齐IJ标准溶液(浓度为0.010mgL)的高效液相色谱图1荧光增白剂2207荧光增白剂1132一荧光增白剂248荧光增白剂3573荧光增白剂2109荧光增臼剂54荧光增白剂26410-荧光增白剂905一荧光增白剂35311一荧光增白剂716-一荧光增白剂85本方法负责起草单位:北京市食品安全监控和风险评估中心(北京市食品检验所)。验证单位:山东省食品药品检验研究院、河北省食品检验研究院、国家食品质量监督检验中心(上海)、北京市理化测试分析中心、北京市产品质量监督检验院。主要起草人:姜洁、罗晓轩、赵丽、潘红艳、陈江龙、张杉。

展开阅读全文
相关资源
猜你喜欢
相关搜索
资源标签

当前位置:首页 > 在线阅读 > 生活休闲


备案号:宁ICP备20000045号-1

经营许可证:宁B2-20210002

宁公网安备 64010402000986号