附录5:轻工行业企业安全生产标准化评定标准设施、设备要求(9个单元).docx

上传人:夺命阿水 文档编号:938483 上传时间:2024-01-20 格式:DOCX 页数:152 大小:310.95KB
返回 下载 相关 举报
附录5:轻工行业企业安全生产标准化评定标准设施、设备要求(9个单元).docx_第1页
第1页 / 共152页
附录5:轻工行业企业安全生产标准化评定标准设施、设备要求(9个单元).docx_第2页
第2页 / 共152页
附录5:轻工行业企业安全生产标准化评定标准设施、设备要求(9个单元).docx_第3页
第3页 / 共152页
附录5:轻工行业企业安全生产标准化评定标准设施、设备要求(9个单元).docx_第4页
第4页 / 共152页
附录5:轻工行业企业安全生产标准化评定标准设施、设备要求(9个单元).docx_第5页
第5页 / 共152页
点击查看更多>>
资源描述

《附录5:轻工行业企业安全生产标准化评定标准设施、设备要求(9个单元).docx》由会员分享,可在线阅读,更多相关《附录5:轻工行业企业安全生产标准化评定标准设施、设备要求(9个单元).docx(152页珍藏版)》请在课桌文档上搜索。

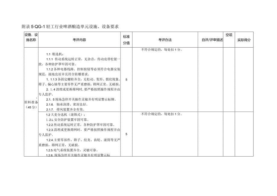
1、附录5:轻工行业企业安全生产标准化评定标准设施、设备要求目录附录5-QGT轻工行业啤酒酿造单元设施、设备要求1附录5-QG-2轻工行业白酒酿造单元设施、设备要求22附录5-QG-3轻工行业葡萄酒、露酒酿造单元设施、设备要求31附录5-QG-4轻工行业食品生产单元设施、设备要求41附录5-QG-5轻工行业乳制品单元设施、设备要求54附录5-QG-6轻工行业调味品单元设施、设备要求77附录5-QG-7轻工行业饮料生产单元设施、设备要求107附录5-QG-8轻工行业造纸单元设施、设备要求118附录5-QG-9轻工行业印刷包装单元设施、设备要求137附录5QG-1轻工行业啤酒酿造单元设施、设备要求设备

2、、设施名称考评内容标准分值考评办法自评/评审描述空项实际得分、原料准备(45分)1.1 粗选机:1.1.1 传动系统运转正常,无杂音,传动皮带松紧一致,各种防护罩牢固可靠。1.1.2各种电器线路、控制按钮等必须符合电器安装规范,接地良好并且符合防爆要求。1. 1.1.3各固定螺栓齐全,无松动、变形、裂纹现象。筛子、偏心轴等主要零件无严重磨损,筛网正常,无破损。2. 1.4清理或更换筛网时,要严格按照操作规程并由专人监护。2.1. 5现场急停开关操作灵敏并有明显警示标牌。2.1.6. 轴承润滑、密封良好。2.1.7. 排风装置齐全有效。5不符合规定的,每处扣1分。1.2大麦分选机(滚筛式):1.

3、2.L安全防护装置牢固可靠。1.2.2.传动系统运转正常,各种防护罩牢固可靠。1.2.3.清理或更换筛网时,要严格按照操作规程并由专人监护。1.2.4.主要零部件、筛子、绞龙、齿轮、滚筒等无严重磨损,筛网正常,无破损。1.2.5.电气系统装置齐全,灵敏可靠。1.2.6.现场急停开关操作灵敏并有明显警示标5不符合规定的,每处扣1分。设备、设施名称考评内容标准分值考评办法自评/评审描述空项实际得分牌。1.2.7.轴承润滑、密封良好。1.3绿麦搅拌机:3.1.油泵运转正常。1.3.2.传动系统运转平稳,搅拌物料均匀。1.3.3.变速器油质、油量符合要求,无漏油现象。1.3.4.螺旋翼片、齿轮、轴承、

4、轴瓦无严重磨损。1.3.5.电气系统装置齐全,接地良好,性能灵敏可靠。1.3.6.安全防护装置齐全可靠。电机、电器防潮措施齐全可靠。1.3.7.设备各部分密封良好,无渗漏。1.3.8.清理或更换螺旋翼片时,要严格按照操作规程并由专人监护。5不符合规定的,每处扣1分。L4干麦搅拌机:4.1.传动系统运转正常,搅拌物料均匀。1.4.2.搅拌叶、齿轮、轴承、轴瓦无严重磨损。1.4. 3.润滑系统装置齐全,润滑良好,不缺油,不漏油。1.4.4. 电气系统装置齐全,接地良好,性能灵敏可靠。1.4.5.安全防护装置齐全可靠。1.4.6.变速器油质、油量符合要求。1.4.7.设备内外清洁,无油垢。5不符合要

5、求的,每处扣1分。设备、设施名称考评内容标准分值考评办法自评/评审描述空项实际得分1.4.8.传动系统运转正常,无杂音。1.4.9.搅拌翅子、耙杆、胶皮刷无严重磨损。L5除根机:1.5.1.主要零部件、绞刀、筛子等无严重磨损。清理或更换时,要严格按照操作规程并由专人监护。1.5.2.传动系统运转正常,无杂音,进出料口畅通,各种防护罩牢固齐全。1.5.3.润滑良好,不缺油,不漏油。1.5.4.电气系统装置齐全,接地良好,性能灵敏可靠。1.5.5.安全防护装置齐全可靠。1.5.6.各固定螺栓齐全,无松动、变形、裂纹现象。5不符合要求的,每处扣1分。L6除尘设备:1.6.1.系统中除尘(处理)设备的

6、效率应大于该设备设计参数的90%。系统中各设备及其部件应齐全、完好,各种管道上的闸板、阀门应灵活、可靠,连接处无泄漏,管道弯曲角度应准确,弯曲处的表面应无皱纹和裂纹,其横断面应无明显的变形。系统结构件应有足够的强度、刚度及稳定性,基础应坚实。1.6.2.设备外露的风机应基础牢固,设置齐全、可靠的防护罩或防护网。吸尘罩(吸气罩)布置应合理,其金属结构件应完整、无腐蚀,表面油漆无脱落。8不符合要求的,每处扣1分。设备、设施名称考评内容标准分值考评办法自评/评审描述空项实际得分1.6.3.除尘器的消灰系统应运行正常,除尘器的检修门应密封良好,其漏风率应小于5%。滤袋的清扫需用毛刷刷滤袋,或用适宜的设

7、备清扫(如吸尘器、滤袋清理机)。1.6.4.系统中附属的压力容器应符合法定要求,压力表应指示灵敏、刻度清晰、铅封完整,且在检验周期内使用。1.6.5.电气设备的绝缘、屏护、防护间距应符合相关规定,PE(N)线应连接可靠,线径截面积及安装方法符合相关规定。1.7筛选机械:1.7.L两台振动电机的旋转方向必须相反,且电气控制必须联锁,保证电机同时运转或停车。调整振动行程的大小,四组偏重块必须同时调整,且偏重块的重叠量应完全一致。开车时先空载一段时间后再加载,严禁负载启动。1.7.2.橡胶弹簧应防止龟裂或松动。各紧固件不得松动,应及时拧紧。经常检查清洁橡胶球并及时更换。筛面应经常清理,不能用锤子及铁

8、器敲击筛面,应用压空或钢丝刷将筛面清理干净。1.7.3.控制系统的设置应便于操作和维修:仪表、指示灯、操作按钮均应标识准确、清晰,动作灵敏可靠。5不符合要求的,每处扣1分。设备、设施名称考评内容标准分值考评办法自评/评审描述空项实际得分L7.4.设备的防护盖、观察窗、软连接除应具备防护功能外,还应具有防止粉尘的功能。启动和停止装置应设置明显的安全标志或警示信号。设备检修时,应设置明显的安全标识或锁定装置。1.7.5.电气设备的绝缘、屏护、防护间距应符合相关规定;PE(N)线应连接可靠,线径截面积及安装方法符合相关规定。L8粉碎机:1.8.L设备基础应牢固、可靠,其结合面应紧密,且应采取减震措施

9、。1. 8.2.连锁装置安全可靠有效。3.设备应配急停开关。1.8.4.旋转部件及防护:设备运转中应平稳、无噪音;设备外露的旋转部位均应设置齐全、可靠的防护罩或防护网。运动部件应标明其运动方向,单向旋转的应有转向的指示标识。1.8. 5.控制系统的设置应便于操作和维修:仪表、指示灯、操作按钮均应标识准确、清晰,动作灵敏可靠。1.8.6.主轴轴承的温升不能超过轴承的设计值。1.8.7.电气设备的绝缘、屏护、防护间距应符合相关规定,PE(N)线应连接可靠,线径截面积及安装方法符合相关规定。7不符合要求的,每处扣1分。设备、设施名称考评内容标准分值考评办法自评/评审描述空项实际得分1.8.8.锤式粉

10、粹机:定期改变一次粉粹机转子的转向。锤片更换时必须整组更换,不能只换一个单片。锤片安装时必须严格要求排列,径向相对称的两组锤片总重量相差不得超过5g。1.8.9.磨根粉粹机:定期检查磨根表面的磨损情况并及时清理齿间的杂物,不能用硬物敲打磨辑表面:磨损的更换需一对同时更换。液压系统动作应灵敏、可靠,无连冲。1.8.10.调湿粉粹机:定期检查磨辐表面的磨损及磨短轴两端油封的密封情况,如油杯内油脂含水应及时更换;磨辐的更换需一对同时更换。小计45二、麦汁酿造主要设备(30分)2.1 麦汁酿造主要设备(糊化锅、糖化锅、煮沸锅、沉淀槽等):2.1.1. 资料应满足:有完整的设计、审批等相关资料;制造、安

11、装应由具备资质的单位承担;产品合格证书、自检报告、安装资料、验收资料和相应的检测、试验报告等齐全。2. 1.2.锅体:设备基础应牢固、可靠,其结合面应紧密;锅体无倾斜、沉降缺陷。设备应无腐蚀现象,管道应有良好的密封性能。2.1. 3.控制系统的设置应便于操作和维修;仪表、指示灯、操作按钮均应标识准确、清晰,动作灵敏可15不符合要求的,每处扣2分。设备、设施名称考评内容标准分值考评办法自评/评审描述空项实际得分靠。2.L4.泵的基础应牢固、可靠,各种防护罩安装牢固,防护到位。轴承润滑良好、机封无渗漏:配有冷却水的机封应保证管道畅通,压力稳定。联轴器同心度应符合规定要求。2.L5.安全附件:压力表

12、应指示灵敏、刻度清晰、铅封完整,表盘上应有最高工作压力警示线,并在检验周期内使用。温度计应刻度清晰,并在检验周期内使用。安全阀应铅封完好,并在检验周期内使用。安全阀下方安装截止阀时,截止阀应常开,并设有铅封或其它防止误操作的措施。2.1.6.电气设备的绝缘良好,屏护完整,防护间距应符合相关规定,PE(N)线应连接可靠,线径截面积及安装方法符合相关规定。2.1.7.糊(糖)化锅:传动系统运转应平稔、无噪音;搅拌叶片和立轴连接应牢固、密封无渗漏,搅拌物料均匀;变速箱运行可靠、油质及油量符合要求,无漏油。2.1.8.煮沸锅:加热器应牢固可靠,无泄漏,效率应达到设计要求,运行时应无超压、超温、超载,且

13、无异常振动,疏水器应保持畅通。2.2麦汁过滤机(压滤机、过滤槽):2.2.1.设备结构应有足够的强度、刚度及稳定性,15不符合要求的,每处扣2分。设备、设施名称考评内容标准分值考评办法自评/评审描述空项实际得分基础应坚实;防护罩、盖、栏的安装应牢固,无明显的锈蚀或变形,且与动力回路联锁。2.2.2.液压及冷却管路应连接可靠,油(水)箱及管路无漏油、漏水,控制系统开关应齐全,动作可靠。2.2.3.排糟设备运行可靠、无泄漏;与设备及管道相连的阀门及控制灵活可靠、无泄漏。2.2.4.控制系统的设置应便于操作和维修:仪表、指示灯、操作按钮均应标识准确、清晰,动作灵敏可靠。2.2.5.安全附件:压力表应

14、指示灵敏、刻度清晰、铅封完整,表盘上应有最高工作压力警示线,并在检验周期内使用。温度计应刻度清晰,并在检验周期内使用。2.2.6.泵的基础应牢固、可靠,各种防护罩安装牢固,防护到位。轴承润滑良好、机封无渗漏;配有冷却水的机封应保证管道畅通,压力稳定。联轴器同心度应符合规定要求。2.2.7.电气设备的绝缘、屏护、防护间距应符合相关规定;电控箱、柜与线路应符合相关规定;控制台各参数显示功能应完好;急停装置、联锁装置、操作按钮应标示清晰、灵敏可靠,并有故障报警装置,任何急停装置动作均应切断所有动力回路;PE(N)线应设备、设施名称考评内容标准分值考评办法自评/评审描述空项实际得分连接可靠,线径截面及

15、安装方式应符合相关规定。2.2.8.压滤机:定期逐片检查清洗滤布、膜片,更换时严禁使用硬性工具,保证滤布、膜片平整;两边的传动装置应灵敏、一致,无歪斜、受压均匀。2.2.9.过滤槽:定期逐片检查清洗过滤板平整度,表面无凹凸现象;刮板应无磨损、平整,升降灵活一致;耕刀应垂直、无磨损,与过滤板的距离适当。小计30三、发酵(10分)发酵罐:1 .罐体无严重变形及腐蚀现象。2 .基础支架无裂纹破损及下沉现象。3 .保温层完好无脱落。4 .冷却夹套无介质泄漏现象。5 .管路、阀门安装整齐合理。6 .各部位连接螺栓齐全紧固。7 .微机系统及各类仪表准确有效。5不符合要求的,每处扣1.5分。小计5四、分装系

16、统(40分)4.1CIP清洗系统:4.LL设备内外应光滑、无锈斑、无腐蚀现象,管道应有良好的密封性能,无漏汽、漏水;焊缝应无未焊透、咬边、裂纹等缺陷。4.1.2.与设备、管道相联的阀门应灵活可靠、密封良好。10不符合要求的,每处扣1分。设备、设施名称考评内容标准分值考评办法自评/评审描述空项实际得分4.1.3.泵的基础应牢固、可靠,各种防护罩安装牢固,防护到位。轴承润滑良好、机封无渗漏,压力稳定;联轴器同心度应符合规定要求。4.L4.控制系统的设置应便于操作和维修:仪表、指示灯、操作按钮均应标识准确、清晰,动作灵敏可靠。4.1.5.酸、碱、杀菌剂、酒精等使用现场应设置化学品安全技术说明书和处置

17、设施,以及消洗、稀释用的水源和冲洗设施。操作人员必须穿戴规定的防护用品,保证人员安全。4.1.6.电气设备的绝缘、屏护、防护间距应符合相关规定,PE(N)线应连接可靠,线径截面积及安装方法符合相关规定。4.2清酒过滤机:4.2.L设备基础应牢固、可靠,其结合面应紧密;罐体无倾斜、沉降缺陷。4.2.2.设备受压应达到设计要求,无泄漏;管道应有良好的密封性能。4.2.3.泵的基础应牢固、可靠,各种防护罩安装牢固,防护到位。轴承润滑良好、机封无渗漏;配有冷却水的机封应保证管道畅通,压力稳定。联轴器同心度应符合规定要求。4.2.4.安全附件:压力表应指示灵敏、刻度清晰、8不符合要求的,每处扣1分。设备

18、、设施名称考评内容标准分值考评办法自评/评审描述空项实际得分铅封完整,表盘上应有最高工作压力警示线,并在检验周期内使用。温度计应刻度清晰,并在检验周期内使用。安全阀应铅封完好,动作灵敏、可靠,并定期校验。4.2.5.液压及冷却管路应连接可靠,油(水)箱及管路无漏油、漏水,控制系统开关应齐全,动作可靠。4.2.6.控制系统的设置应便于操作和维修:仪表、指示灯、操作按钮均应标识准确、清晰,动作灵敏可靠。4.2.7.电气设备的绝缘、屏护、防护间距应符合相关规定,PE(N)线应连接可靠,线径截面积及安装方法符合相关规定。4.3卸垛机、码垛机、卸箱机、装箱机:4.3.L外露的旋转部位应安装防护罩或盖,并

19、确保其完好、有效,其安全距离应符合GB23821的相关规定。4.3.2.紧固件、连接件的锁紧装置应完整、可靠。4.3.3.电气设备的绝缘、屏护、防护间距应符合相关规定。控制台各参数显示功能完好,急停装置、联锁装置、操作按钮应标示清晰,灵敏可靠,并有故障报警装置。急停装置应符合GB16754的相关规定,并不得自动复位。气压管路连接可靠,无老化或泄漏。5不符合要求的,每处扣1分。设备、设施名称考评内容标准分值考评办法自评/评审描述空项实际得分4.3.4.操作平台结构应符合GB4053的规定。4.3.5.设备附属仪表灵敏、准确,并处于校验使用周期内。4.3.6.PE(N)线应连接可靠,线径截面积及安

20、装方法符合相关规定;电气线路标识清晰,保护回路应齐全、可靠,且能防止意外或偶然的误操作。4.4洗瓶机、洗箱机:4.4.1.外露的旋转部位应安装防护罩或盖,并确保其完好、有效,其安全距离应符合GB23821的相关规定。4.4.2.紧固件、连接件的锁紧装置应完整、可靠。4.4.3.电气设备的绝缘、屏护、防护间距应符合相关规定。控制台各参数显示功能完好,急停装置、联锁装置、操作按钮应标示清晰,灵敏可靠,并有故障报警装置。急停装置应符合GB16754的相关规定,并不得自动复位。气压管路连接可靠,无老化或泄漏。4.4.4加热器无泄漏。各蒸汽管道应符合有关规定。4.4.5润滑系统装置齐全,油路畅通,不缺油

21、,不漏油。4.4.6操作平台结构应符合GB4053的规定。4.4.7设备附属仪表灵敏、准确,并处于校验使用周期内。7不符合要求的,每处扣1分。设备、设施名称考评内容标准分值考评办法自评/评审描述空项实际得分4.4.8PE(N)线应连接可靠,线径截面积及安装方法符合相关规定;电气线路标识清晰,保护回路应齐全、可靠,且能防止意外或偶然的误操作。4.5装酒压盖机:4.5.1.外露的旋转部位应安装防护罩或盖,并确保其完好、有效,其安全距离应符合GB23821的相关规定。4.5.2.紧固件、连接件的锁紧装置应完整、可靠。4.5.3.电气设备的绝缘、屏护、防护间距应符合相关规定。控制台各参数显示功能完好,

22、急停装置、联锁装置、操作按钮应标示清晰,灵敏可靠,并有故障报警装置。急停装置应符合GB16754的相关规定,并不得自动复位。气压管路连接可靠,无老化或泄漏。4.5.4.操作平台结构应符合GB4053的规定。4.5.5.设备附属仪表灵敏、准确,并处于校验使用周期内。4.5.6.PE(N)线应连接可靠,线径截面积及安装方法符合相关规定;电气线路标识清晰,保护回路应齐全、可靠,且能防止意外或偶然的误操作。5不符合要求的,每处扣1分。4.6杀菌机:4.6.1.外露的旋转部位应安装防护罩或盖,并确保其完好、有效,其安全距离应符合GB23821的相关规定。5不符合要求的,每处扣1分。设备、设施名称考评内容

23、标准分值考评办法自评/评审描述空项实际得分4.6.2.紧固件、连接件的锁紧装置应完整、可靠。4.6.3.电气设备的绝缘、屏护、防护间距应符合相关规定。控制台各参数显示功能完好,急停装置、联锁装置、操作按钮应标示清晰,灵敏可靠,并有故障报警装置。急停装置应符合GB16754的相关规定,并不得自动复位。气压管路连接可靠,无老化或泄漏。4.6.4.加热器无泄漏。各蒸汽管道应符合有关规定。4.6.5.润滑系统装置齐全,油路畅通,不缺油,不漏油。4.6.6.操作平台结构应符合GB4053的规定。4.6.7.观察窗玻璃无破损,密封条无泄漏。玻璃强度和刚度应与环境温度相适应。4.6.8.设备附属仪表灵敏、准

24、确,并处于校验使用周期内。4.6.9.PE(N)线应连接可靠,线径截面积及安装方法符合相关规定;电气线路标识清晰,保护回路应齐全、可靠,且能防止意外或偶然的误操作。小计40五、包装、外运(80分)5.1产品标识设备、二次包装设备:5.1.1.外露的旋转部位应安装防护罩或盖,并确保其完好、有效,其安全距离应符合GB23821的相关规定。10不符合要求的,每处扣1分。设备、设施名称考评内容标准分值考评办法自评/评审描述空项实际得分5.1.2.紧固件、连接件的锁紧装置应完整、可靠。5.1.3.电气设备的绝缘、屏护、防护间距应符合相关规定。控制台各参数显示功能完好,急停装置、联锁装置、操作按钮应标示清

25、晰,灵敏可靠,并有故障报警装置。任何安全装置动作均应切断所有动力回路。急停装置应符合GB16754的相关规定,并不得自动复位。气压管路连接可靠,无老化或泄漏。5.1.4.润滑系统装置齐全,油路畅通,不缺油,不漏油。5.1.5.操作平台结构应符合GB4053的规定。5.1.6.设备附属仪表灵敏、准确,并处于校验使用周期内。5.1.7.PE(N)线应连接可靠,线径截面积及安装方法符合相关规定;电气线路标识清晰,保护回路应齐全、可靠,且能防止意外或偶然的误操作。5.2易拉罐液位检测机:5.2.1.在设备上设置明显的辐射警示标识。5.2.2.在检测机主射线方向侧采用铅板屏蔽。5.2.3,定期请有资质的

26、单位对所在的作业场所进行检测,检测结果符合相关规定。5.2.4.放射源应有使用登记证。5不符合要求的,每处扣1分。5.3制冷压缩机:5.3.1.设备安全防护装置完好,保温层齐全完整,5不符合要求的,每处扣1分。设备、设施名称考评内容标准分值考评办法自评/评审描述空项实际得分无严重脱落破损现象。5.3.2.各机台外表无严重腐蚀,漆色完好。5.3.3.相邻管道与构件无异常。5.3.4.安全附件:吸汽、排汽压力表指示灵敏,刻度清晰,铅封完整,在检验周期内使用;安全阀铅封完好,动作可靠,检验周期内使用,工作状态合理,记录齐全;设备的工作压力,温度在规定的工作参数内。5.3.5.各机台基础螺栓固定牢固,

27、无移位、沉降倾斜等缺陷。5.3.6.润滑系统装置齐全,油路畅通,不缺油、不漏油。5.3.7.电器系统装置齐全,接地良好,控制系统开关齐全,性能灵敏可靠。5.3.8.液氨贮罐,其区域合理设置水喷淋设施及高压水源;其区域的电器、照明灯必须是防爆装置。5.3.9.液氨贮罐应设有事故状况下清净下水收集处理措施和设施。5.3.10.各机台设备运行状况良好,无超载、超压、超温现象,操作室内无氨味,无异常振动现象,有定期巡回检查记录。5.4. 4蒸发式冷凝器:5.5. 1.安全附件完好,安全阀、水位计、压力表10不符合要求的,每处扣1分。设备、设施名称考评内容标准分值考评办法自评/评审描述空项实际得分铅封完

28、整,在检验周期内使用,记录齐全。5.4.2.操作平台、栏杆、爬梯焊接牢固,无严重脱焊、变形、腐蚀和断裂等缺陷。5.4.3.各类管道无腐蚀,无泄漏,管道内架牢固可靠。5.4.4.电机、风机、水泵基础螺栓固定牢固,传动防护罩齐全。5.4.5.润滑系统装置齐全,油路畅通,无缺油、漏油现象。5.4.6.风机、水泵运转正常,无杂音。5.4.7.定期对水位、水质进行生物污染检查,保持水质清洁、无污物和残渣,定期检查系统(排污)使其保持正常工作状态。5.5二氧化碳、制氮设备:5.5.1.设备能力满足生产工艺要求,制气质量达到规定标准。5.5.2.安全阀开启压力符合系统要求,附属仪表标示准确,并在检定周期内使

29、用,装置灵活敏捷。5.5.3.设备的工作压力、温度在规定的工作参数内。5.5.4.各机台基础螺栓牢固,无移位、沉降、倾斜等缺陷。5.5.5.设备的安全防护装置完好,保温层齐全完10不符合要求的,每处扣1分。设备、设施名称考评内容标准分值考评办法自评/评审描述空项实际得分整,无严重脱落破损现象。5.5.6.润滑系统装置齐全,接地良好,控制系统开关齐全,性能灵敏可靠。5.5.7.电器系统装置齐全,接地良好,控制系统开关齐全,性能灵敏可靠。5.5.8.各机台设备运行状态良好,无超载、超压、超温现象,无异常振动声响现象,有定期巡回检查记录。5.6输送机械:5.6.1.设备外露的旋转部件均应设置齐全、可

30、靠的防护罩或防护网,其安全距离应符合GB23821的相关规定。5.6.2.机械化运输线上每隔5m长度范围内应至少设置一个急停开关;皮带输送机的人行一侧,应设置适宜的急停开关。操作工位、升降段或转弯处应设置急停开关。急停开关不应自动恢复,必须采取手动复位,并符合GB16754的相关规定。5.6.3.安全装置:(1)皮带输送机在两边应设置防跑偏挡轮,并运转灵活,销轴无窜动;转弯处应设置防倾覆装置。(2)驱动装置中应设置过载保护装置,且运行可靠。(3)链式输送机上坡、下坡处应设置止退器或捕10不符合要求的,每处扣1分。设备、设施名称考评内容标准分值考评办法自评/评审描述空项实际得分捉器,并运行可靠,

31、转方处应设置防倾覆装置。(4)垂直升降机应设置上升、下降限位装置及止挡器,并设有防护栏,其门应设置联锁装置。5.6.4.通道、梯台和防护网(栏):(1)输送机械下方的通道净空高度应大于2m。(2)输送机械上坡、下坡段或下面有人员通过的部位,应在输送机械的下面设置坚固的防护网(板):输送机械穿越楼层而出现孔口时应设护栏,在人员能接近的重锤张紧装置下方应设立防护栅(栏)。(3)人员需经常跨越输送机械的部位应设置人行过道(桥(4)工业梯台应符合GB50205及GB4053的相关规定;防护护网(栏)的安全距离应符合GB23821的相关规定。5.6.5.启动(绿色)和停止(红色)装置应设置明显的安全标志

32、或警示信号。5.6.6.电气设备的的绝缘、屏护、防护间距应符合相关规定;PE(N)线应连接可靠,线径截面积及安装方法符合相关规定。5.7储罐:5.7.L资料应满足:有完整的设计、审批的相关资料;制造、安装应由具备资质的单位承担;产品合格证书、自检报告、安装资料、验收资料和相应的检15有一处不符合要求的,每处扣1分。不涉及的附件部分,不进行考评。设备、设施名称考评内容标准分值考评办法自评/评审描述空项实际得分测、试验报告等齐全。5.7.2.设备基础应牢固、可靠,其结合面应紧密:罐体无倾斜、沉降块陷。5.7.3.设备内外应光滑、无锈斑、无腐蚀现象,罐体内涂料完整无脱落;管道应有良好的密封性能,罐顶

33、呼吸阀灵敏可靠。5.7.4.罐体的夹套降温系统应安全可靠、无泄漏现象;保温的材料、厚度应符合相关规定,阀门安全可靠,无泄漏。5.7.5.安全附件:(1)压力表应指示灵敏、刻度清晰、铅封完整,表盘上应有最高工作压力警示线,并在检验周期内使用。(2)温度计应刻度清晰,并在检验周期内使用。(3)安全阀应铅封完好,动作灵敏、可靠,并定期校验。(4)非标压力储罐(容器),应经具有相应资质部门检测确认后使用。5.7.6.操作系统内各种仪表、指示器、按钮等应设置合理,显示正确。5.7.7.防雷设计、验算、布局、隔离等应符合GB50057的相关规定。5.7.8.泵的基础应牢固、可靠,各种防护罩安装设备、设施名

34、称考评内容标准分值考评办法自评/评审描述空项实际得分牢固,防护到位。轴承润滑良好、机封无渗漏:配有冷却水的机封应保证管道畅通,压力稳定。联轴器同心度应符合规定要求。5.8制冷站:5.8.1.液氨储罐有喷淋。5.8.2.液氨储罐有围堰。5.8.3.事故排风机防爆且有连锁装置。5.8.4.现场设置洗眼器,配备呼吸器、防化服、防毒面具、应急药箱等。5.8.5.安装氨气浓度报警器5.8.6.电器及照明设备等应防爆。5.8.7.制冷系统应装设紧急泄氨器,在紧急情况下,可将系统中的氨液溶于水中,排至经有关部门批准的贮罐、水池。5.8.8.现场有防液氨泄露中毒应急预案。5. 8.9.现场设风向标。5.8.

35、10.管道标明介质、流向、安全色。5.8.11.氨压缩机房的自动控制室或操作人员值班室应与机器间隔开,并设固定密封观察窗。5.8.12.控制室门按规定向外开。15不符合要求的,每处扣1分。小计80总计200注:存在重大隐患,均为定级否决项,评级不予通过附录5QG-2轻工行业白酒酿造单元设施、设备要求设备、设施考评内容标准分值考评办法自评/评审描述空项实际得分一、原材料粉碎与输送(10分)原材料粉碎与输送1 .原料粉碎车间的设备与设施应能满足原料清除杂物、粉碎、防尘及防火防爆的工艺技术要求。2 .架空构件和设备的安装位置应便于清理,防止和减少粉尘聚积。原料进入粉碎设备加工前,应先经过清、杂、筛,

36、清除原料中混杂的秸秆、粮壳、碎砖石和金属物等杂质。3 .原料采用干式破碎作业时,应采用密闭通风除尘装置,通风管道应设置防静电连接。4 .粉碎设备应加装防静电装置,动力设备及其开关柜和照明灯具等电器设施应满足防火防爆要求。5 .物料输送管道要平滑,布袋、集尘箱的粉尘应定期清理。6 .粉碎房内进行设施设备检修时应严禁动火。10不符合规定的,每处扣2分小计10二、配料、发酵与蒸储(30分)1 .车间的设备与设施应满足白酒配料、发酵、蒸储的工艺技术要求和生产安全的要求。应设有排风设施,并且场地坚硬、宽敞、平坦、排水良好。操作场所采用地锅蒸酒的企业,地锅火门和贮煤场地应独立设置。2 .所用的密闭式蒸效设

37、备,其安全附件(压力表、安全阀及排气阀)应齐备完好,生产时汽压保持在工艺允许的范围之内;蒸料终止需开启料门出料30不符合规定的,每处扣2分设备、设施考评内容标准分值考评办法自评/评审描述空项实际得分时,应在锅内汽压为零的情况下进行。3 .制曲车间所用电气及照明设施,均应采取重复接地措施并保持安全防护装置的完好有效状态。4 .没有列入特种设备的带压或起重设备,如:手工制酵母使用的煮料锅、灭菌锅、高压灭菌器、糖液压扎架、糖液承接器、卡式罐、三角瓶等;机制酵母使用的蒸汽压力煮料锅、糖化罐、压扎机、空压机、糖液泵、螺旋压力泵、酵母培养罐、糖液灭菌罐、高压灭菌罐以及起重设备等,安全附件应齐备、灵敏、可靠

38、,并应定期进行检测。小计30三、酿酒(35分)酿酒1 .酿造车间应设置用于废气排放的天窗或侧窗。电气线路应采用穿管铺设,移动设备的电力引线应采用橡套线并保持完好无损,并加装漏电保护器;所有电气设备均应采取重复接地措施。2 .通风或清除风室中残渣余料时,应在设备完全停机后进行,严禁在设备运转时进行。3 .天车、行车作业运行中,驾驶人员应密切关注地面情况,保持与地面工作人员的密切联系与配合。在冬季生产中,如有蒸汽弥漫影响能见度时,应停止吊装作业。斗升装置的制动设施应保持灵敏、可靠,不得缺位或带病运行,不准采用倒车方式替代制动。35不符合规定的,每处扣2分设备、设施考评内容标准分值考评办法自评/评审

39、描述空项实际得分4 .车间内严禁烟火。车间内进行设备维修动用明火时,应办理动火审批手续。现场动火应采取有效的防火措施,动火作业完成后应彻底清理现场。5 .对行车、抓斗、活动甑桶等大型设备进行维修时,应采取安全防护措施,防止伤人事故或者其他事故的发生。小计35四、包装车间(15分)包装车间1 .包装车间应远离锅炉房和原材料粉碎、制曲、贮曲等粉尘较多的场所,应有防尘、防虫、防蚊蝇、防鼠、防火等措施。灌装车间宜与洗瓶间、外包装车间分开。2 .包装车间应使用防爆开关和灯具,并在开关和灯具上装有安全防护罩。3 .包装车间应根据工艺技术要求,配备温度计、湿度计、糖度计、酒度计等。所有接触或可能接触白酒的设

40、备、管道、工器具和容器等,应用无铅、无毒、无异味、耐腐蚀、易清洗、不与白酒起化学反应的材料制作。15不符合规定的,每处扣2分小计15五、原料库(20分)原料库1.粮库(仓)应清凉通风、干燥洁净,并有防虫、防鼠、防雀设施,配备温度、湿度测定装置,备有消防设施设备。粮库地面要铺设防潮层。20设备、设施考评内容标准分值考评办法自评/评审描述空项实际得分2 .使用筒仓储存原料时,筒仓容积不宜过大,应按筒仓的容量设计其牢固度:筒仓通常只容装其体积的2/3仓料,应留有适当的空间空位;仓内空气应可顺利排出,避免仓内形成过大正压。3 .原料存放于室外场地时,场地应高于地面且保持干燥,还应配备防雨、防霉变设施及

41、消防器材等。熏蒸后的粮食应取样化验药剂残留量,确认药剂残留量符合卫生标准的要求后方可出仓。4 .人员从仓顶进仓作业时,应备有扶梯、站人护栏、软梯、安全带、吊篮等安全防护设施;应先打开仓顶通风,启动风机排风,确认仓内不处于缺氧状态和熏蒸后药剂残留量已达到安全要求后,人员方可进仓。进仓作业应保证两人以上,仓外应有人监护,进仓作业人员应系好安全带。仓内作业使用的灯具应属粉尘防爆型,电压应采用安全电压。小计20六、辅料库(10分)辅料库1 .辅料库可建成简易棚库结构,但应坚固耐用,采取防风、防潮措施,配备消防设施。在不通水源的情况下,应配置蓄水装置及提水工具。2 .禁止机动车进入棚库内。靠近库房的机动

42、车的发火部位,应安装消弧灭火装置,并采取安全防3 .范措施。辅料运输宜采用袋装形式,如需散装运输时应加装防抛洒设施。10设备、设施考评内容标准分值考评办法自评/评审描述空项实际得分4 .物料运输终结后,应随即清扫现场,并将散落料规整运走或放入库内。5 .棚库进出口宜用挡板阻隔,防止库内物料溢出库外和外部火种进入库中。小计10七、酒库(50分)酒库1 .酒库有平房酒库、楼层酒库、人防工程、天然溶洞及地下酒库等形式,成品库的容量宜与生产能力相适应。酒库应有防火防爆等措施,加装防火隔断,有安全出入口。库内宜阴凉、干燥、通风。2 .单层库房,宜采用混凝土框、排架结构,也可用夹层钢结构填充隔热材料的建筑

43、,不应采用砖木结构。混凝土预应力的构件应做耐火处理,库房外墙、屋面应有隔热措施,用于结构的构件应喷涂耐火材料,耐火等级应满足GB50694的要求。3 .库房内贮酒容器的排布宜留有2m以上的人行通道,并按照国家标准、行业标准配置哨防设施、器材,设置消防安全标志,定期组织检验、维修,确保完好有效。库内不应存放其他与库存无关的物品,不应存放易燃易爆或者可能对库存物造成污染或毒害作用的其他物料。4 .楼层酒库窗户的设置宜使上下窗户之间有较大的距离,并在窗口上方设置遮阳檐板。窗户面积宜大于Im2,窗口宜呈较窄的长方形,其材质应为不可50设备、设施考评内容标准分值考评办法自评/评审描述空项实际得分燃烧的材料。5 .楼层酒库的楼板不能开设孔洞,承重柱面大小和梁、板保护层的厚度应满足GB50010的要求。每层防火区内应设置排酒口,库外设有垂直的排酒道,应设外廊式走道并设两道疏散楼梯。采用混凝土管道连接排酒口与排酒管道,并应满足防火要求。楼层酒库的层高、建筑耐火等级及建筑面积应满足GB50694的要求。6 .楼层酒库内的消防给水设施给

展开阅读全文
相关资源
猜你喜欢
相关搜索
资源标签

当前位置:首页 > 在线阅读 > 生活休闲


备案号:宁ICP备20000045号-1

经营许可证:宁B2-20210002

宁公网安备 64010402000986号