五通道IIC TO模拟高压线性LED恒流驱动芯片SM2335EGH.docx

上传人:夺命阿水 文档编号:1146331 上传时间:2024-03-24 格式:DOCX 页数:2 大小:57.10KB
返回 下载 相关 举报
五通道IIC TO模拟高压线性LED恒流驱动芯片SM2335EGH.docx_第1页
第1页 / 共2页
五通道IIC TO模拟高压线性LED恒流驱动芯片SM2335EGH.docx_第2页
第2页 / 共2页
亲,该文档总共2页,全部预览完了,如果喜欢就下载吧!
资源描述

《五通道IIC TO模拟高压线性LED恒流驱动芯片SM2335EGH.docx》由会员分享,可在线阅读,更多相关《五通道IIC TO模拟高压线性LED恒流驱动芯片SM2335EGH.docx(2页珍藏版)》请在课桌文档上搜索。

1、五通道IICTO模拟高压线性LED恒流驱动芯片:SM2335EGHSM2335EGH是一款先进的五通道IICTO模拟高压线性LED恒流驱动芯片,通过其每个OUT端口可以产生1024级的电流灰度变化,从而驱动LED灯实现智能调光功能。该芯片采用了先进的数字信号处理技术和模拟电路设计,能够实现精确、平滑的亮度调节,为LED照明产品提供了更加智能和舒适的光照效果。1.ED恒流驱动芯片SM2335EGH具有五个输出通道,每个通道均可实现电流恒定输出。这意味着在使用该芯片的LED灯产品中,不会出现因电流波动而导致的闪烁或颜色失真等问题,保证了LED灯的稳定亮度和色彩表现,增强了产品的质量和用户体验。此外

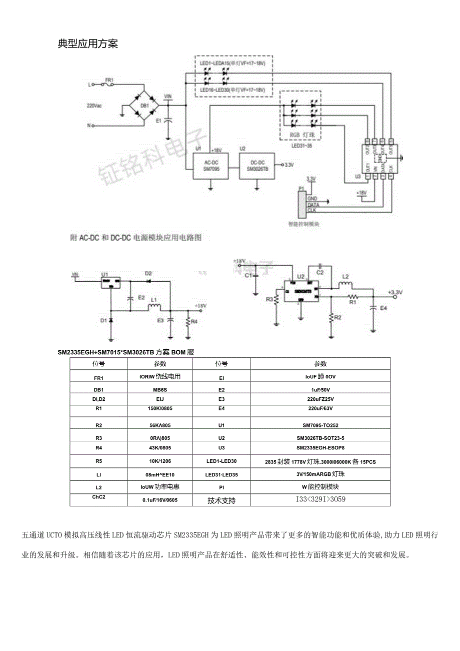
2、,LED恒流驱动芯片SM2335EGH还具备IIC总线接口,可以与微处理器或其他智能控制器进行通信,实现远程调光和智能控制。借助这一特性,LED照明产品不仅可以实现基本的亮度调节,还可以根据环境亮度、时间等因素进行智能调节,提升能源利用率和环境舒适度。典型应用方案SM2335EGHSM7015*SM3026TB方案BOM服位号参数位号参数FR1IORIW绕线电用ElIoUF蹲0OVDB1MB6SE21uF50VDl,D2EIJE3220uFZ25VR1150K/0805E4220uF63VR256K805U1SM7095-TO252R30R)805U2SM3026TB-SOT23-5R443K/0805U3SM2335EGH-ESOP8R510K/1206LED1-LED302835封装1778V灯珠.3000I06000K各15PCSLl08mHEE10LED31LED353V150mARGB灯珠L2IoUW功率电惠PlW能控制模块ChC20.1uF16V0605技术支持I333O59五通道UCTO模拟高压线性LED恒流驱动芯片SM2335EGH为LED照明产品带来了更多的智能功能和优质体验,助力LED照明行业的发展和升级。相信随着该芯片的应用,LED照明产品在舒适性、能效性和可控性方面将迎来更大的突破和发展。

展开阅读全文
相关资源
猜你喜欢
相关搜索
资源标签

当前位置:首页 > 在线阅读 > 生活休闲


备案号:宁ICP备20000045号-1

经营许可证:宁B2-20210002

宁公网安备 64010402000986号