市桥街先锋社区道路工程设计说明.docx

上传人:夺命阿水 文档编号:313608 上传时间:2023-04-18 格式:DOCX 页数:6 大小:29.12KB
返回 下载 相关 举报
市桥街先锋社区道路工程设计说明.docx_第1页
第1页 / 共6页
市桥街先锋社区道路工程设计说明.docx_第2页
第2页 / 共6页
市桥街先锋社区道路工程设计说明.docx_第3页
第3页 / 共6页
市桥街先锋社区道路工程设计说明.docx_第4页
第4页 / 共6页
市桥街先锋社区道路工程设计说明.docx_第5页
第5页 / 共6页
点击查看更多>>
资源描述

《市桥街先锋社区道路工程设计说明.docx》由会员分享,可在线阅读,更多相关《市桥街先锋社区道路工程设计说明.docx(6页珍藏版)》请在课桌文档上搜索。

1、一、设计依据和采用规范西路44至46号路段、前锋大街十八巷、新兴大街、新兴一巷、先锋大街二巷、先锋1、设计依据(1)番禺区市桥街先锋社区道路工程设计委托书。(2)地形图及现场情况调查资料2、采用规范:(1)交通部部颁公路工程技术标准(JTGBOI-2003);(2)交通部部颁公路水泥混凝土路面设计规范(JTGD40-2011);(3)交通部部颁公路路基设计规范(JTGD30-2015);(4)部颁的给排水专业相关规范、标准。二、原路概况本工程位于广州市番禺区市桥街先锋社区内。主要为居民巷道,道路原有碎路面破旧不堪,凹凸不平;尤其环城西路44至46号路段,高低错台落差达到0.6m,无系统的排水设

2、计,雨天积水成患;社区内街巷明渠繁多,极易滋生蚊虫。以上严重影响了村民的出行,急需改造。三、工程概况番禺区市桥街先锋社区道路工程位于广州市番禺区市桥街先锋社区内,原有碎路面破损严重,需要拆除原碎路再铺筑混凝土路面;环城西路44至46号路段需要拆除原碎路后,将局部低洼处回填中砂,再按设计高程铺筑混凝土路面;新兴大街原有路面为条形白石路面,但部分面积被水泥砂浆层覆盖,破旧坑洼,需拆除原有白条石路面后,按设计新建条石+混凝土路面,以提升原有街巷的古朴气质;范围内道路重新敷设排水官网接入周边完善的排水系统中:18处明渠改造为盖板渠。路线包括环城大街二巷一横、先锋大街二巷二横、先锋大街二巷三横、大东路一

3、巷、大东路三巷、大东路五巷、大东路七巷,路线全长957.5m,设计路面宽度为1-10米。总面积约2702.62平方米。新建水泥混凝土路面,具体结构为:15Cm厚6%水泥石粉层+15Cm厚C30水泥混凝土。C30碎28天抗折强度为4.0MPa,弯拉弹性模量为2.7X104MPa。新建条形白石路面,具体结构为:15Cm厚6%水泥石粉层+2Cm厚DSMl5预拌水泥砂浆+13Cm厚原条形白石(择优利用)。1、主要技术设计标准为:公路等级:等外公路;设计速度:15kmh;路面结构:水泥混凝匕轴载标准:BZZ-100:2、路面横坡设置为:采用双向坡,设计年限:20年;坐标及高程:采用北京坐标系,黄海高程。

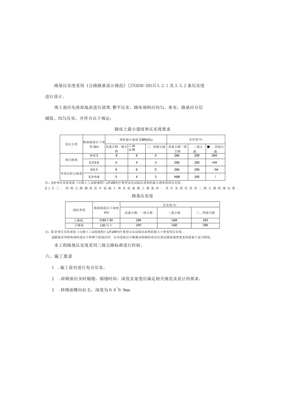
4、坡度为1.5%。3、路面设计标高的确定:新路面标高除环城西路44至46号路段需局部按设计标高抬高外,其余路段均与原路面标高一致,起点、终占及路口处则接顺原有路面,与既有路面的衔接平顺。4、路线概述本工程路线包括环城西路44至46号路段、前锋大街十八巷、新兴大街、新兴一巷、先锋大街二巷、先锋大街二巷一横、先锋大街二巷二横、先锋大街二巷三横、大东路一巷、大东路三巷、大东路五巷、大东路七巷,路线走向按原有道路不变。路基压实度采用公路路基设计规范(JTGD30-2015)3.2.1及3.3.2条压实度进行设计。填土前应先将原地表进行清理,整平压实。路床填料应均匀、密实。路基应分层铺筑、均匀压实。并符合

5、以下规定:路床土最小强度和压实度要求项目分类路基底面以下深度Gn)填料最小强度(CBR)(%)乐实度(%高速公路一级公路级路二公三、四级公路高速公路一级公路二级公路:、四级公路填方路基00.38652962952940.3-0.854329629594零填及控方路基0-0.3865296295940.30.8543N96295/注:I)表列压实度系按公路土工试验规程(JTJ051)中重型由实试验法求得的最大感密度的压实度。2)当三、四级公路铺筑沥声混凝土和水泥混凝土路面时,其年实度应采用二级公路的规定值。路基压实度填挖类型路面底面以下深度(m)压实度(%)高速公路、一级公路二级公路三、四级公路

6、上路堤0.80-1.5029494293下路堤L50以下29392290注:D表列压实度系按公路土工试验规程(JTJ051)中重型击实试验法求得的最大干密度的压实度:2)路堤采用特殊填料或出于特殊气候地区时,压实度标注可根据试验路的状况在保证路基强度要求的前提下适当降低。本工程路基压实度采用三级公路标准进行控制。六、施工要求1 .施工前对进行充分压实。2 .碎路面应及时锯缝,锯缝时间、深度及宽度应满足相关规范及设计的要求。3 .碎路面横向拉毛,深度为0.60.9mm.4 .施工时应注意埋设接收周边居民房屋落水及污水排放的PVC管,接就近雨水口井排放,按每个雨水口预留3米的长度估算,实地施工时可

7、视情况需要调整。四、材料要求1、水泥水泥可选用普通硅酸款水泥,道路硅酸盐水泥,其物理性能及化学成分应符合公路水泥混凝土路面施工技术规范(JTG-F-30-2003)表中3.1.2中的要求。水泥的抗折强度和抗压强度应满足公路水泥混凝土路面施工技术规范(JTG-F-30-2003)表中3.1.1中的要求。2、粗集料粗集料应质地坚硬、耐久、洁净的碎石、碎卵石和卵石,其技术指标应满足公路水泥混凝土路面施工技术规范(JTG-F-30-2003)表中341中不低于川级的要求。3、细集料细集料应使用质地坚硬、耐久、洁净的天然砂或机制砂或混合砂,其技术指标应满足公路水泥混凝土路面施工技术规范(JTG-F-30

8、-2003)表中341中不低于III级的要求。4、水清洗集料,拌和混凝土及碎养生所用的水,不应含有影响混凝土质量的油、酸、盐类有机物等。饮用水一般适用于碎,非饮用水经化验符合要求方可使用。5、钢筋本工程的钢筋采用R235及HRB335级钢筋,其性能及技术要求应符合现行国家有关标准的规定。五、路基压实要求路基采用重型压实标准,填筑路堤时应采用分层填筑逐层辗压,其分层最大厚度应与压实机具功能相适应。5 .原街巷中的现状各类检查井需提升至新路面标高,如施工过程中损坏则需更换新的井座井盖。七、主要工程数量表序号项目名称数量单位备注115Cm厚C30混凝土路面2571.3m2215cm厚6%水泥石屑稳定

9、层2571.3m23新铺条形白石路面(利用原石)173.2m2含石粉基层4拆除原有混凝土路面外运2231.0m2做法同新建5拆除原有条形白石(择优保留)513.5m2含石粉基层6路面调高低差回填中粗砂57.0m37新建盖板渠238m8雨水检查井68座9单篦雨水口142座10DN500HDPE雨水管158m11DN400HDPE雨水管411m12DN315HDPE雨水管298m13DN200HDPE雨水管410m14160X3mmPVC管426m接收建筑物的落水15PVC管弯头284个接收建筑物的落水16拆除混凝土路面22.5m2接现状排水时17恢复混凝土路面22.5m2接现状排水时is拆除原有人行道13.3m2接现状排水时19恢复原有人行道13.3m2接现状排水时

展开阅读全文
相关资源
猜你喜欢
相关搜索
资源标签

当前位置:首页 > 在线阅读 > 生活休闲


备案号:宁ICP备20000045号-1

经营许可证:宁B2-20210002

宁公网安备 64010402000986号